Товары
Каталог запчастей
Личный кабинет
Авторизация
Портал для заказа запасных частей
В товарах
В каталоге запчастей
Внимание!!! Сайт только для тестирования.
Каталоги запчастей к технике UMG
Брянский Арсенал
АГ-140
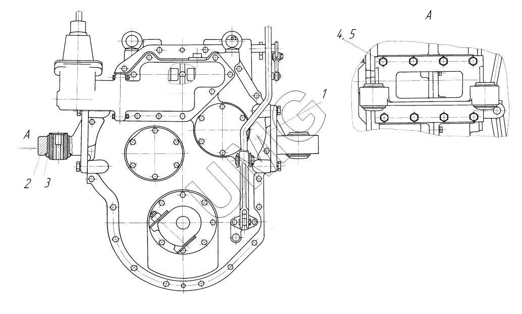
Коробка перемены передач с кронштейнами 240.30.03.00.000-00
АГ-140. Коробка перемены передач с кронштейнами 240.30.03.00.000-00
zoom-in
zoom-out
enlarge
shrink
circle-right
circle-left
file-text2
info
cart
1
2
3
4
5
Позиция на иллюстрации
Заводской номер детали
Название детали
1
240.30.13.00.000-02
Коробка перемены передач
2
240.30.01.01.100-00
Кронштейн
3
200.16.00.01.000
Амортизатор
4
Болт M16-6gx40
Болт
5
Шайба 16.65Г
Шайба 16.65Г
Дополнительная информация
×
Название:
Номер:
Примечание:
АвтоКаталог-онлайн предоставлен
Компанией АвтоСофт