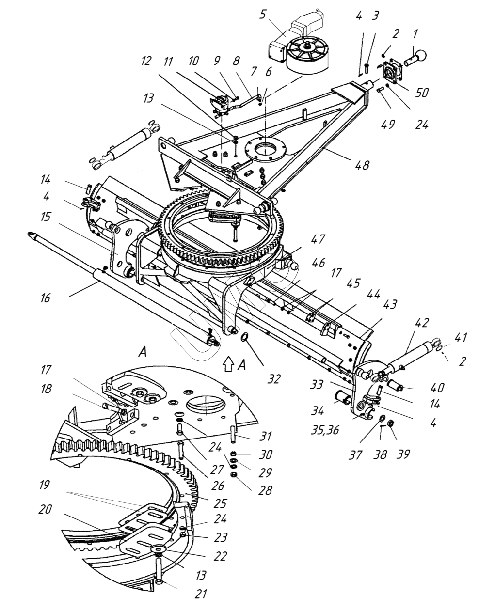
АГ-140. Оборудование рабочее 250.07.00.00.000-00
1
2
2
3
4
4
4
5
6
7
8
9
10
11
12
13
13
14
14
15
16
17
17
18
19
20
21
22
23
24
24
24
25
26
27
28
29
30
31
32
33
34
35
36
37
38
39
40
41
42
43
44
45
46
47
48
49
50
| Позиция на иллюстрации | Заводской номер детали | Название детали | |
|---|---|---|---|
| 1 | 225.67.00.00.001 | Штырь шаровой | |
| 2 | Масленка 1.3.Ц6 | Масленка 1.3.Ц6 | |
| 3 | 225.67.00.00.002-01 | Ось | |
| 4 | Шплинт 4х40.06 | Шплинт 4х40.06 | |
| 5 | 225.67.09.00.000 -02 | Редуктор | |
| 6 | Шайба С12.02.Ст3кп.016 | Шайба С12.02.Ст3кп.016 | |
| 7 | Шплинт 3,2х25.016 | Шплинт 3,2х25.016 | |
| 8 | 225.07.00.00.007 | Водило | |
| 9 | Болт M16-6gх30.46.016 | Болт M16-6gх30.46.016 | |
| 10 | Шайба 16.65Г.06 | Шайба 16.65Г.06 | |
| 11 | 225.67.06.00.000 -04 | Шарнир гидравлический | |
| 12 | Гайка M24x2-7Н.8.45.06 | Гайка M24x2-7Н.8.45.06 | |
| 13 | Шайба 24.65Г.06 | Шайба 24.65Г.06 | |
| 14 | 0.804.1067 | Палец | |
| 15 | 250.07.01.01.000-00 | Кронштейн | |
| 16 | 225.07.06.00.000 Т AS | Гидроцилиндр | |
| 17 | 225.07.00.00.035 | Гайка | |
| 18 | 225.07.00.00.030 | Болт | |
| 19 | 225.07.00.00.039 | Прокладка | |
| 20 | 225.07.00.00.031 | Плита | |
| 21 | 225.07.00.00.037 | Болт | |
| 22 | 248.07.00.00.003 | Шайба | |
| 23 | 0.820.2056 | Гайка | |
| 24 | Шайба 20.65Г.06 | Шайба 20.65Г.06 | |
| 25 | 225.67.22.01.000 | Венец | |
| 26 | 225.67.11.00.002 | Болт | |
| 27 | Болт M20-8gx45.58.016 | Болт M20-8gx45.58.016 | |
| 28 | 0.820.2056 | Гайка | |
| 29 | Шайба С20.02.Ст3кп.06 | Шайба С20.02.Ст3кп.06 | |
| 30 | 225.67.00.00.007 | Втулка конусная | |
| 31 | 225.67.00.00.006 | Шпилька | |
| 32 | 248.07.00.00.002 | Прокладка | |
| 33 | 250.07.01.01.000-01 | Кронштейн | |
| 34 | 248.07.01.00.001 | Вкладыш | |
| 35 | Винт ВМ10-6gх35.66.016 | Винт ВМ10-6gх35.66.016 | |
| 36 | Гайка М10-6Н.6.016 | Гайка | |
| 37 | 225.07.00.00.012 | Шайба | |
| 38 | Шплинт 6,3х63.06 | Шплинт 6,3х63.06 | |
| 39 | 0.820.2041 | Гайка | |
| 40 | 225.07.13.00.001 | Вкладыш | |
| 41 | Кольцо В40 | Кольцо В40 | |
| 42 | 225.07.16.00.000 | Гидроцилиндр | |
| 43 | 225.07.00.00.034 | Прижим | |
| 44 | 250.07.05.00.000 | Нож-отвал | |
| 45 | 248.07.00.00.001 | Прокладка | |
| 46 | 225.07.00.00.033 | Стяжка | |
| 47 | 225.67.22.00.000-01 | Круг поворотный | |
| 48 | 274.07.01.00.000 | Рама тяговая | |
| 49 | Болт M20-6gх60.46.06 | Болт M20-6gх60.46.06 | |
| 50 | 225.07.00.00.019 | Крышка |