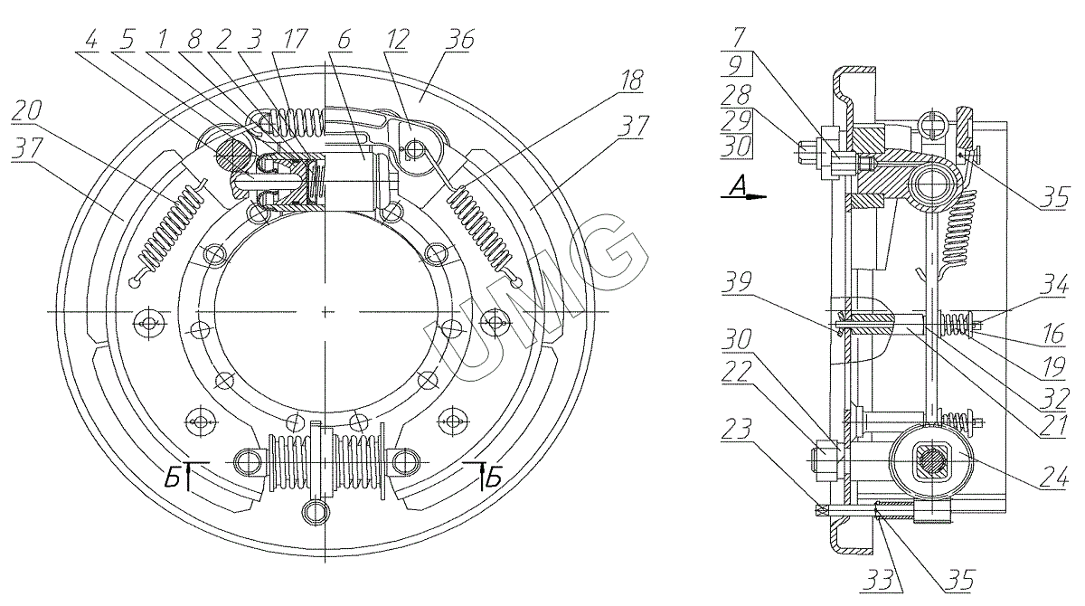
ГС-14.02. Тормоз задних колес
1
2
3
4
5
6
7
8
9
12
16
17
18
19
20
21
22
23
24
28
29
30
30
32
33
34
35
35
36
37
37
39
| Позиция на иллюстрации | Заводской номер детали | Название детали | |
|---|---|---|---|
| 1 | 200.03.00.03.001 | Поршень | |
| 2 | 200.03.00.03.017 | Пружина | |
| 3 | 200.03.00.03.018 | Манжета | |
| 4 | 200.03.00.03.019 | Шток | |
| 5 | 200.03.00.03.020 | Чехол | |
| 6 | 200.03.06.03.001-01 | Корпус цилиндра | |
| 7 | 200.03.06.03.004 | Штуцер | |
| 8 | 039-045-36-2-2 | Кольцо 039-045-36-2-2 | |
| 9 | 14М3 | Прокладка 14М3 | |
| 10 | 225.73.06.01.004-80 | Пружина | |
| 11 | 225.73.06.01.005-80 | Валик | |
| 12 | 225.73.06.01.006 | Скоба | |
| 13 | 225.73.06.01.007 | Шайба | |
| 14 | 225.73.06.01.008 | Стакан левый | |
| 15 | 225.73.06.01.009 | Полукольцо | |
| 16 | 225.73.06.01.011 | Шайба | |
| 17 | 225.73.06.01.012-80 | Пружина | |
| 18 | 225.73.06.01.013-80 | Пружина | |
| 19 | 225.73.06.01.015-80 | Пружина | |
| 20 | 225.73.06.01.017-80 | Пружина | |
| 21 | 225.73.06.01.025 | Катушка | |
| 22 | 225.07.00.00.042-80 | Гайка | |
| 23 | 248.03.06.01.001 | Валик-червяк | |
| 24 | 248.03.06.01.003 | Шестерня | |
| 25 | 248.03.06.01.005-80 | Втулка | |
| 26 | 225.73.06.01.031 | Вилка | |
| 27 | 225.73.06.01.031-01 | Вилка | |
| 28 | 248.03.06.01.020-80 | Палец | |
| 29 | Гайка 2M30х2-7Н.5.029 | Гайка 2M30х2-7Н.5.029 | |
| 30 | Шайба 24 65Г 029 | Шайба 24 65Г 029 | |
| 31 | Шайба 30 65Г 029 | Шайба 30 65Г 029 | |
| 32 | Шайба С.8х1,4.02.Ст.3кп.029 | Шайба С.8х1,4.02.Ст.3кп.029 | |
| 33 | Шайба С.12х2.02.Ст.3кп.029 | Шайба С.12х2.02.Ст.3кп.029 | |
| 34 | Шплинт 3,2х25.029 | Шплинт 3,2х25.029 | |
| 35 | Шплинт 4х40.029 | Шплинт 4х40.029 | |
| 36 | 248.03.06.01.200-80 | Диск | |
| 37 | 225.73.06.01.100-80 | Колодка | |
| 38 | 225.73.06.01.100-81 | Колодка | |
| 39 | 225.73.06.01.400 | Палец | |
| 40 | 248.03.06.01.500-80 | Кронштейн | |
| 41 | 248.03.06.00.001 | Шайба замковая | |
| 42 | Болт M10-6gx50.46.016 | Болт M10-6gx50.46.016 |