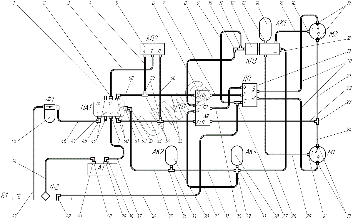
TG-250. Схема гидравлическая соединений. Гидросистема переднего моста
1
1
2
3
4
5
6
7
8
9
10
10
11
12
13
13
14
15
16
16
17
17
18
19
20
21
22
23
24
25
26
27
28
28
29
30
31
32
33
34
35
36
37
38
39
40
41
42
43
44
45
46
47
48
49
50
51
52
53
54
55
56
57
58
| Позиция на иллюстрации | Заводской номер детали | Название детали | |
|---|---|---|---|
| 1 | TN92-22L-1”1/16-12UN | Адаптер | |
| 2 | TN132А-22/15L | Адаптер | |
| 3 | Рукав в сборе | Рукав в сборе | |
| 4 | Рукав в сборе | Рукав в сборе | |
| 5 | 761.12.03.00.000 | Клапан промывочный | |
| 6 | 780.14.02.00.000 | Клапан свободного вращения | |
| 7 | 780.14.05.00.000 | Труба | |
| 8 | Рукав в сборе | Рукав в сборе | |
| 9 | Рукав в сборе | Рукав в сборе | |
| 10 | TN119-18L | Адаптер TN119-18L | |
| 11 | 780.14.00.00.009 | Тройник | |
| 12 | 780.14.03.00.000 | Клапан предохранительный | |
| 13 | TN126A GG-18LM | Адаптер | |
| 14 | ACCU-1,5L-0,5 bar –M33-M22, код 002440239J | Аккумулятор | |
| 15 | Рукав в сборе | Рукав в сборе | |
| 16 | TN92-15L-3/4”-16UNF | Адаптер | |
| 17 | TN92-20S-1”1/16-12UN | Адаптер | |
| 18 | 780.14.12.00.000 | Коллектор | |
| 19 | 780.14.01.00.000 | Делитель потока | |
| 20 | Рукав в сборе | Рукав в сборе | |
| 21 | Рукав в сборе | Рукав в сборе | |
| 22 | Рукав в сборе | Рукав в сборе | |
| 23 | 780.14.00.00.006 | Тройник | |
| 24 | Рукав в сборе | Рукав в сборе | |
| 25 | Рукав в сборе | Рукав в сборе | |
| 26 | Рукав в сборе | Рукав в сборе | |
| 27 | 780.14.11.00.000 | Тройник | |
| 28 | ACCU-1,5L-8 bar –M33-M22 | Аккумулятор | |
| 29 | 780.14.04.00.000 | Коллектор | |
| 30 | Рукав в сборе | Рукав в сборе | |
| 31 | Рукав в сборе | Рукав в сборе | |
| 32 | Рукав в сборе | Рукав в сборе | |
| 33 | TN92GG-18LM | Адаптер TN92GG-18LM | |
| 34 | TN121-18L | Адаптер TN121-18L | |
| 35 | Рукав в сборе | Рукав в сборе | |
| 36 | Рукав в сборе | Рукав в сборе | |
| 37 | Рукав в сборе | Рукав в сборе | |
| 38 | TN119-22L | Адаптер TN119-22L | |
| 39 | TN92GG-22LR1” | Адаптер | |
| 40 | TN92GG-28LR | Адаптер TN92GG-28LR | |
| 41 | 257.12.08.00.000 | Угольник | |
| 42 | TN119-28L | Адаптер TN 119-28L | |
| 43 | 782.14.00.00.006 | Рукав 40х51.5-1,6 | |
| 44 | 780.14.00.00.003 | Рукав 38х49-1,6 | |
| 45 | 782.14.01.00.000 | Фильтр всасывающий | |
| 46 | 782.14.00.00.005 | Рукав 40х51.5-1,6 | |
| 47 | TN92-35L-1”5/8-12UN | Адаптер | |
| 48 | 782.14.02.00.000 | Угольник | |
| 49 | PRES-SENSOR-600B-MH2-9/16 | Датчик давления PRES-SENSOR-600B-MH2-9/16 | |
| 50 | DB-6000-1”-U | Полуфланец | |
| 51 | 14 М3 | Прокладка | |
| 52 | 780.14.00.00.005 | Штуцер | |
| 53 | Рукав в сборе | Рукав в сборе | |
| 54 | TN100-25S | Адаптер TN100-25S | |
| 55 | Рукав в сборе | Рукав в сборе | |
| 56 | Рукав в сборе | Рукав в сборе | |
| 57 | TN132-25/16S | Адаптер TN132-25/16S | |
| 58 | Рукав в сборе | Рукав в сборе | |
| 59 | “NORMA” 32-50 | Хомут червячный | |
| 60 | Винт В.М5х45 | Винт | |
| 61 | Шайба 5 65Г | Шайба 5 65Г | |
| 62 | 782.14.00.00.001 | Спираль | |
| 63 | 782.14.00.00.001-01 | Спираль | |
| 64 | Болт М8х25 | Болт М8х25 | |
| 65 | FM30SCF | Гайка функциональная | |
| 66 | 780.14.05.00.001 | Труба | |
| 67 | Болт М8х20 | Болт | |
| 68 | Шайба 8 65Г | Шайба 8 65Г | |
| 69 | Шайба С.8 | Шайба | |
| 70 | 780.14.00.00.008 | Кронштейн | |
| 71 | Болт М10х30 | Болт М10х30 | |
| 72 | Шайба С.10 | Шайба С.10 | |
| 73 | Шайба 10 65Г | Шайба 10 65Г | |
| 74 | Гайка М10 | Гайка М10 | |
| 75 | Гайка М33х1,5 | Гайка | |
| 76 | Шайба 12 65Г | Шайба 12 65Г | |
| 77 | 271.45.00.00.026 | Болт | |
| 78 | “NORMA” 40-60 | Хомут червячный |