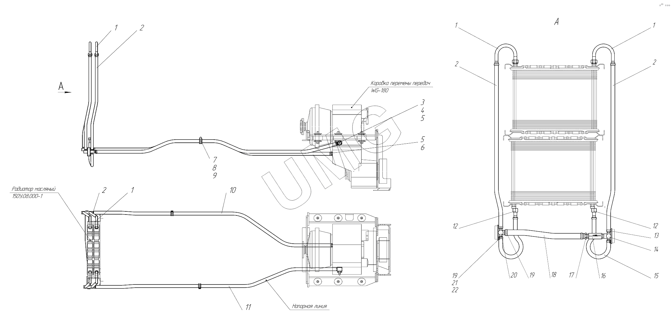
ГС-18.05 (752-10). Гидросистема КПП 724.10.00.00.000
1
1
1
1
2
2
2
2
3
4
5
5
6
7
8
9
10
11
12
12
13
14
15
16
17
18
19
19
20
21
22
| Позиция на иллюстрации | Заводской номер детали | Название детали | |
|---|---|---|---|
| 1 | 724.10.03.00.000 | Отвод | |
| 2 | 724.10.00.00.004 | Рукав 16х25-1,6 | |
| 3 | 724.10.02.00.000 | Штуцер поворотный | |
| 4 | 724.10.00.00.001 | Болт полый | |
| 5 | 99513028 | Прокладка 30М3 | |
| 6 | 255.56.00.00.001 | Штуцер | |
| 7 | БолтМ8-6gx16.58.016 | Болт М8-6gx16.58.016 | |
| 8 | 237.12.00.00.007 | Рукав 25х35-1,6 L=3000 | |
| 9 | Rubber45/20 | Хомут | |
| 10 | 724.10.00.00.006 | Рукав 25х35-1,6 | |
| 11 | 724/10/00/00/007 | Рукав 25х32-1,6 | |
| 12 | 255.56.01.00.000 | Переходник | |
| 13 | NORMA16-27 | Хомут червячный «NORMA»16-27 | |
| 14 | 724.10.01.00.000 | Коллектор | |
| 15 | 724.10.00.00.002 | Рукав 16х25-1,6 | |
| 16 | К015/3T2G | Гидроклапан обратный | |
| 17 | 237.12.00.00.003 | Штуцер | |
| 18 | 724.10.00.00.005 | Рукав 25х35-1,6 | |
| 19 | NORMA32-50 | Хомут червячный "NORMA" 32-50 | |
| 20 | 257.10.02.00.000 | Коллектор | |
| 21 | БолтМ8-6gx20.58.016 | Болт М8-6gx20.58.016 | |
| 22 | ШайбаС.8.02.Ст3сп.016 | Шайба С.8.02.Ст3сп.016 |