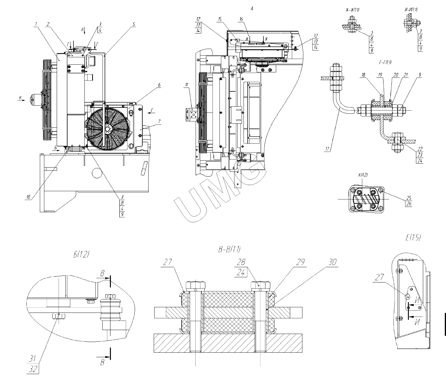
TG-200 (770.исп.11). Установка блока радиаторов 771.02.02.01.000
1
2
3
3
3
3
4
4
4
4
5
6
7
8
8
8
9
9
9
10
10
11
12
12
13
13
14
14
15
16
17
18
19
20
21
22
23
24
24
25
26
27
27
28
29
30
31
32
| Позиция на иллюстрации | Заводской номер детали | Название детали | |
|---|---|---|---|
| 1 | 9.03.24.00.004 | Теплообменник SCM AC-OL-INT YAMZ 536 FR 4815710005 (без мотора, с крыльчаткой) | |
| 2 | 771.02.02.01.002 | Платик | |
| 3 | БолтМ8х20 | Болт | |
| 4 | Шайба865Г016 | Шайба 8 65Г 016 | |
| 5 | 771.02.02.01.100 | Кожух | |
| 6 | 9.03.24.00.001 | Теплообменник HPV18 (2.V18.24.3.01) | |
| 7 | 771.02.02.01.005 | Кронштейн | |
| 8 | ГайкаМ8 | Гайка М8 | |
| 9 | Шайба8 | Шайба | |
| 10 | 771.02.02.01.001 | Основание | |
| 11 | 511725604 | Мотор шестеренный AZMN-22-025UCB20PX-S0077 | |
| 12 | БолтМ10х20 | Болт М10х20 | |
| 13 | ГайкаМ10 | Гайка М10 | |
| 14 | Шайба10 | Шайба | |
| 15 | 771.02.02.01.007 | Прижим | |
| 16 | 771.02.02.01.008 | Уплотнение | |
| 17 | 771.02.02.01.004 | Стяжка | |
| 18 | 771.02.02.01.003 | Уголок | |
| 19 | 225.02.00.00.002-02 | Втулка | |
| 20 | 225.02.00.00.001 | Прокладка | |
| 21 | 225.02.00.00.003 | Чашка | |
| 22 | БолтМ12х25 | Болт М12х25 | |
| 23 | ГайкаМ12 | Гайка М12 | |
| 24 | Шайба1265Г016 | Шайба 12 65Г 016 | |
| 25 | БолтМ10х30 | Болт М10х30 | |
| 26 | Шайба1065Г016 | Шайба 10 65Г 016 | |
| 27 | 771.02.02.01.006 | Прижим | |
| 28 | БолтМ12х70 | Болт | |
| 29 | 225.02.04.00.004 | Подушка | |
| 30 | 225.02.00.00.002-01 | Втулка | |
| 31 | БолтМ16х30 | Болт М16х30 | |
| 32 | Шайба1665Г016 | Шайба 16 65Г 016 |