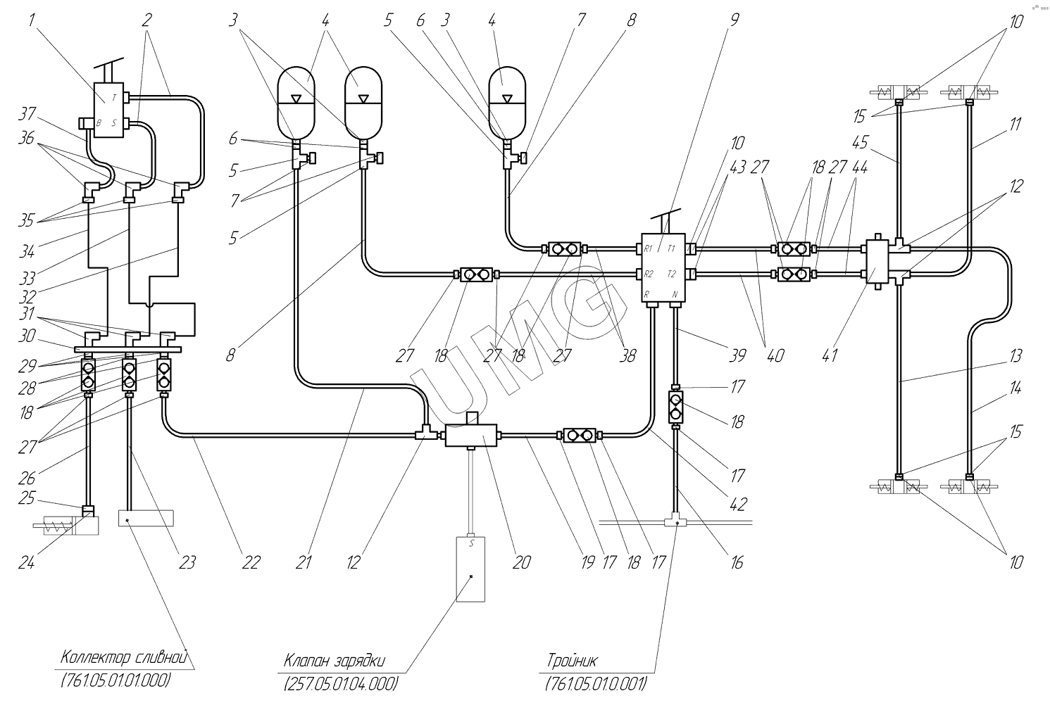
TG-180. 730.11.00.00.000 Гидросистема тормозов
761.05.01.01.000
257.05.01.04.000
761.05.01.0.001
1
2
3
3
4
4
5
5
5
6
6
7
7
8
8
9
10
10
10
11
12
12
13
14
15
15
16
17
17
17
17
18
18
18
18
18
18
19
20
21
22
23
24
25
26
27
27
27
27
27
27
28
29
30
31
32
33
34
35
36
37
38
39
40
41
42
43
44
45
| Позиция на иллюстрации | Заводской номер детали | Название детали | |
|---|---|---|---|
| 761.05.01.01.000 | 761.05.01.01.000 | Коллектор сливной | |
| 257.05.01.04.000 | 257.05.01.04.000 | Установка клапана зарядки | |
| 761.05.01.0.001 | 761.05.01.0.001 | Тройник | |
| 1 | 730.11.03.00.000 | Клапан стояночного тормоза | |
| 2 | РВД8.35.550.М16х1,5.0/90 | РВД | |
| 3 | 024-028-25 | Кольцо 024-028-25 | |
| 4 | АРХ-1/320 | Пневмогидроаккумулятор | |
| 5 | 257.11.05.00.000 | Тройник | |
| 6 | 752.11.00.00.001 | Штуцер | |
| 7 | SMК-20G1/4-PC | Измерительная муфта | |
| 8 | РВД8.35.2200.М16х1,5 | РВД | |
| 9 | 730.11.01.00.000 | Педаль тормоза | |
| 10 | 14М3 | Прокладка 14М3 | |
| 11 | РВД8.35.3300.М16х1,5.0/45 | РВД | |
| 12 | TN121-10L | Адаптер | |
| 13 | РВД8.35.2700.М16х1,5.0/45 | РВД | |
| 14 | РВД8.35.2850.М16х1,5.0/45 | РВД | |
| 15 | 257.11.00.00.008 | Штуцер | |
| 16 | РВД | РВД | |
| 17 | TN92GG-12LR1/4 | Адаптер TN92GG-12LR1/4 | |
| 18 | AM10-04–AF10-04 | Муфта быстроразъемная AM10-04 – AF10-04 | |
| 19 | РВД10.33.2050.М18х1,5 | РВД | |
| 20 | 730.11.02.00.000 | Коллектор | |
| 21 | РВД8.35.600.М16х1,5 | РВД | |
| 22 | РВД8.35.1100.М16х1,5 | РВД | |
| 23 | РВД8.35.1000.М16х1,5.0/90 | РВД | |
| 24 | 10М3 | Прокладка | |
| 25 | 257.11.00.00.009 | Штуцер | |
| 26 | РВД8.35.1450.М16х1,5.0/90 | РВД | |
| 27 | TN92GG-10LR | Адаптер | |
| 28 | G1/4М3 | Прокладка G1/4 М3 | |
| 29 | 730.11.00.00.006 | Штуцер | |
| 30 | 730.11.09.00.000 | Кронштейн | |
| 31 | 730.11.00.00.003 | Угольник | |
| 32 | 730.11.04.00.000-02 | Трубопровод | |
| 33 | 730.11.04.00.000-01 | Трубопровод | |
| 34 | 730.11.04.00.000-00 | Трубопровод | |
| 35 | ГайкаМ16х1,5-22 | Гайках1,5-22 | |
| 36 | 730.11.00.00.002 | Угольник | |
| 37 | РВД8.35.350.М16х1,5.0/90 | РВД | |
| 38 | РВД8.35.750.М16х1,5.0/90 | РВД | |
| 39 | 257.05.03.00.004 | Крышка | |
| 40 | РВД8.35.750.М16х1,5 | РВД | |
| 41 | 730.11.06.00.000 | Установка выключателя | |
| 42 | РВД10.33.450.М18х1,5.0/90 | РВД | |
| 43 | 730.11.00.00.001 | Болт полый | |
| 44 | РВД8.35.800.М16х1,5 | РВД | |
| 45 | РВД8.35.2850.М16х1,5.0/45 | РВД |