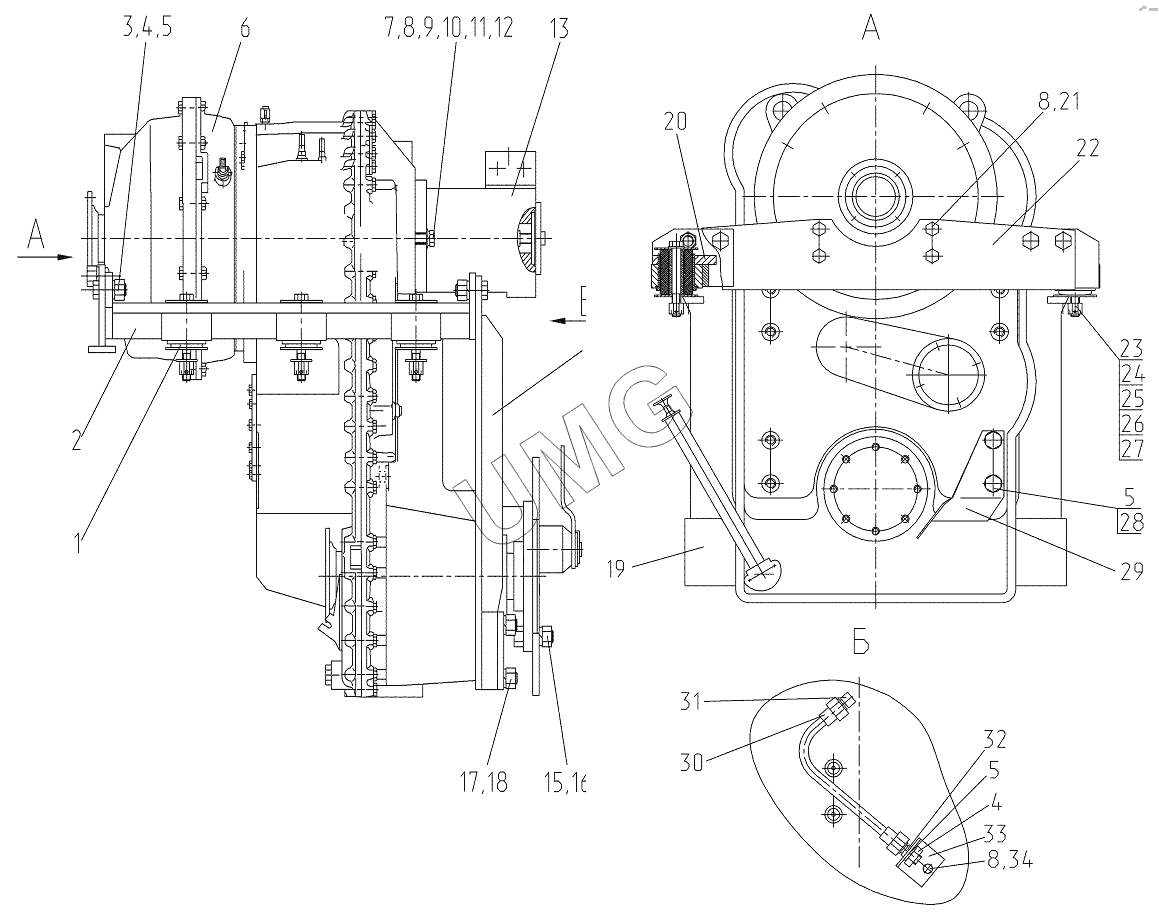
ГС-25.09. Установка коробки переключения передач
1
2
3
4
4
5
5
5
6
7
8
8
8
9
10
11
12
13
14
15
16
17
18
19
20
21
22
23
24
25
26
27
28
29
30
31
32
33
34
| Позиция на иллюстрации | Заводской номер детали | Название детали | |
|---|---|---|---|
| 1 | 200.16.00.01.000 | Амортизатор | |
| 2 | 257.03.02.00.000 | Кронштейн | |
| 3 | БолтМ20-6gх60.10.940Х | Болт | |
| 4 | ГайкаМ20-6Н.5 | Гайка | |
| 5 | Шайба20.65Г | Шайба 20.65Г | |
| 6 | 00006211 | Коробка передач | |
| 7 | БолтМ16-8gх130.58 | Болт | |
| 8 | Шайба1665Г | Шайба 16 65Г | |
| 9 | ШайбаС.12.02.Ст3сп | Шайба | |
| 10 | ГайкаМ12-6Н.5 | Гайка | |
| 11 | Шайба1265Г | Шайба 12 65Г | |
| 12 | ШпилькаМ12-6gх35.66 | Шпилька | |
| 13 | Насос | Насос | |
| 14 | 257.03.03.00.000 | Кронштейн | |
| 15 | 217.03.00.00.002 | Гайка | |
| 16 | Шайба14.65Г | Шайба 14.65Г | |
| 17 | БолтМ20-6gх40.10.940Х | Болт | |
| 18 | Шайба10.65Г | Шайба10.65Г | |
| 19 | 257.03.04.00.000 | Кронштейн | |
| 20 | 257.03.01.00.000 | Кронштейн | |
| 21 | БолтМ16-6gх35.10.940Х | Болт | |
| 22 | 283.13.01.00.000 | Кронштейн | |
| 23 | 200.16.00.00.001-80 | Шайба | |
| 24 | 200.08.00.00.053-80 | Шайба | |
| 25 | 225.02.05.00.007 | Болт | |
| 26 | ГайкаМ16-7Н.8 | Гайка | |
| 27 | Шплинт4х40 | Шплинт 4х40 | |
| 28 | БолтМ20-6gх30 | Болт | |
| 29 | 257.03.00.00.006 | Кронштейн | |
| 30 | РВД6.23.500.М14х1,5 | РВД | |
| 31 | 257.03.00.00.001 | Штуцер | |
| 32 | 257.03.00.00.003 | Кронштейн | |
| 33 | 257.03.00.00.004 | Болт | |
| 34 | БолтМ14-8gх20.46 | Болт |