Товары
Каталог запчастей
Личный кабинет
Авторизация
Портал для заказа запасных частей
В товарах
В каталоге запчастей
Внимание!!! Сайт только для тестирования.
Каталоги запчастей к технике UMG
Брянский Арсенал
ГС-25.09
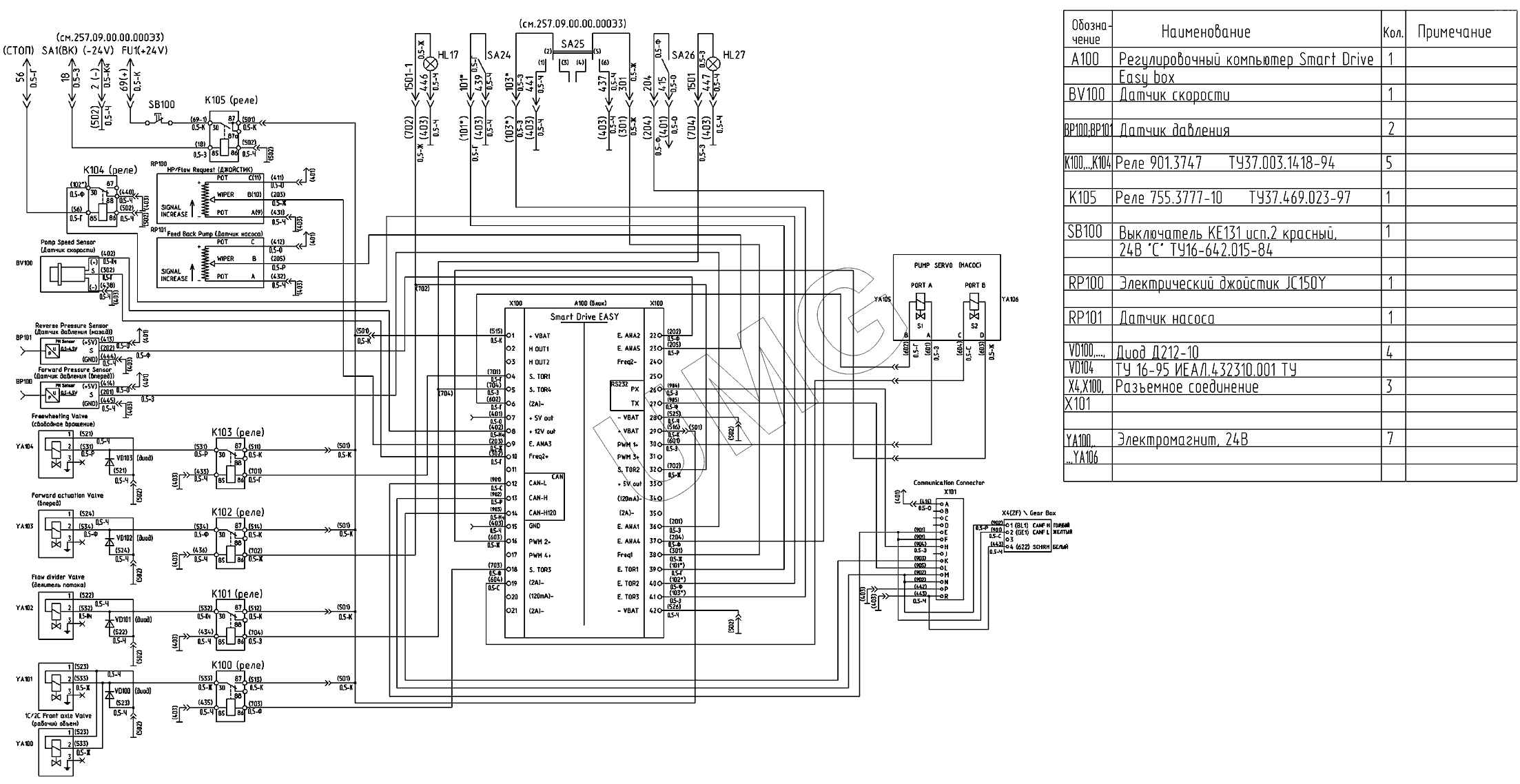
257.19.00.00.000Э3 Схема электрическая принципиальная
ГС-25.09. 257.19.00.00.000Э3 Схема электрическая принципиальная
zoom-in
zoom-out
enlarge
shrink
circle-right
circle-left
file-text2
info
cart
Позиция на иллюстрации
Заводской номер детали
Название детали
Дополнительная информация
×
Название:
Номер:
Примечание:
АвтоКаталог-онлайн предоставлен
Компанией АвтоСофт