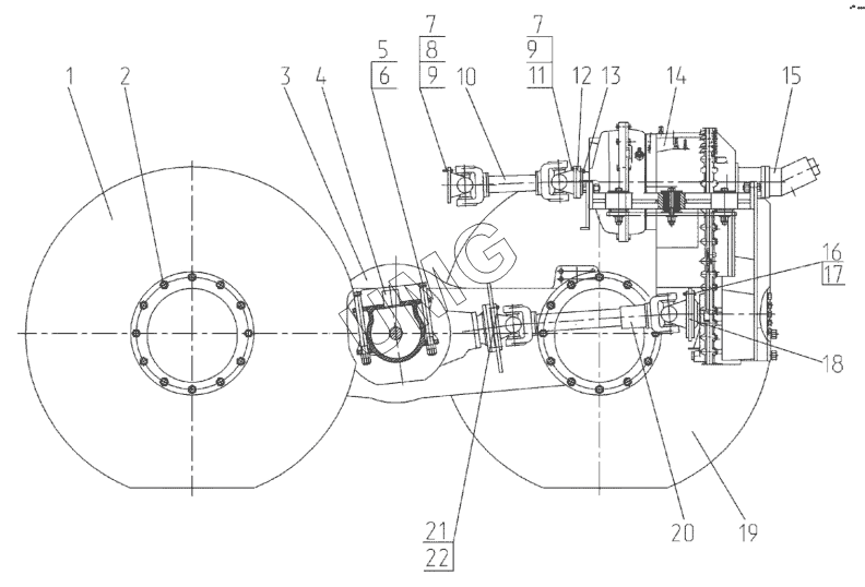
ГС-18.07. Трансмиссия 724.03.00.00.000-02
1
2
3
4
5
6
7
7
8
9
9
10
11
12
13
14
15
16
17
18
19
20
21
22
| Позиция на иллюстрации | Заводской номер детали | Название детали | |
|---|---|---|---|
| 1 | 257.06.04.00.000 | Колесо | |
| 2 | 200118 | Гайка колесная | |
| 3 | 257.03.06.00.000 | Тележка задняя | |
| 4 | 723.03.00.00.002 | Штифт | |
| 5 | 99109496 | Болт | |
| 6 | 99401367 | Гайка | |
| 7 | 225.17.00.00.008 | Гайка | |
| 8 | 724.03.00.00.003 | Шпилька | |
| 9 | Шайба10.65Г | Шайба10.65Г | |
| 10 | ДЗ198-4250010 | Вал карданный | |
| 11 | 241.17.00.00.003 | Шпилька | |
| 12 | 724.03.00.00.002 | Переходник | |
| 13 | 257.03.00.00.005 | Болт | |
| 14 | Установка | Установка коробки переключения передач | |
| 15 | 723.03.02.04.000 | Установка насоса | |
| 16 | 217.03.00.00.002 | Гайка | |
| 17 | Шайба14.65Г | Шайба 14.65Г | |
| 18 | 257.03.00.00.008 | Переходник | |
| 19 | 257.06.04.00.000-01 | Колесо | |
| 20 | 257.03.07.00.000 | Вал карданный | |
| 21 | ГайкаМ12-6Н.8 | Гайка | |
| 22 | Шайба12.65Г | Шайба12.65Г |