В товарах В каталоге запчастей

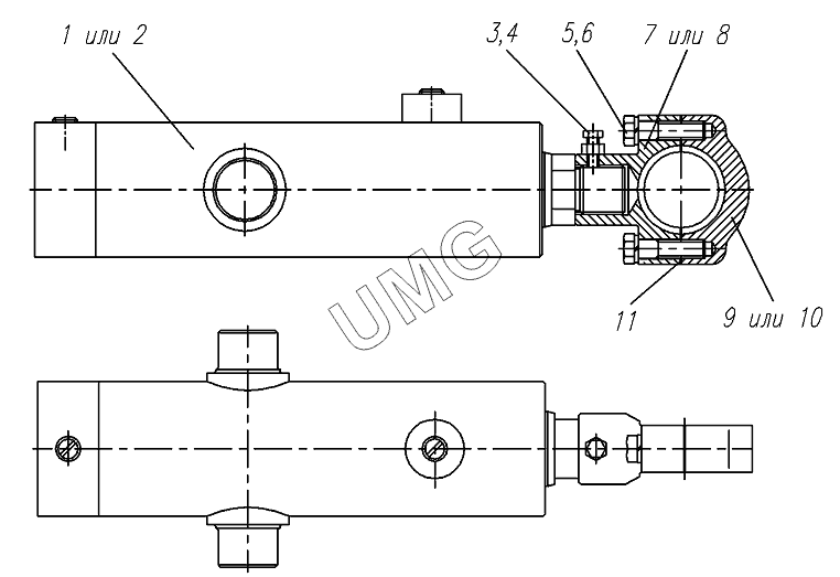
ГС-14.03. Гидроцилиндр 257.07.02.00.000

zoom-in zoom-out enlarge shrink circle-right circle-left file-text2 info cart
1
2
3
4
5
6
7
8
9
10
11
Позиция на иллюстрации Заводской номер детали Название детали
1 257.07.02.00.000 Гидроцилиндр
2 257.07.02.00.000-01 Гидроцилиндр
3 БолтМ10-6gх25.58.016 Болт
4 ГайкаМ10-6Н.5.016 Гайка
5 БолтМ16-6gх65.109.40Х.016 Болт
6 99502026 Шайба 10 65Г
7 257.07.02.00.002 Хомут
8 257.07.02.00.007 Хомут
9 257.07.02.00.001 Хомут
10 257.07.02.00.006 Хомут
11 257.07.02.00.005 Прокладка
АвтоКаталог-онлайн предоставлен Компанией АвтоСофт