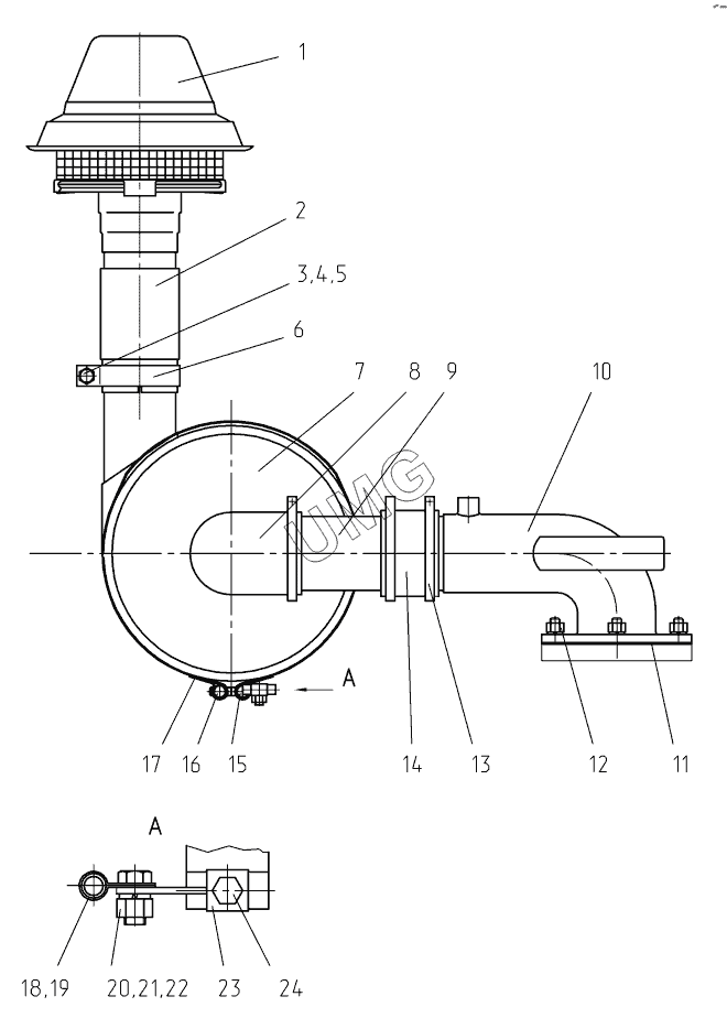
ГС-10.01. Установка воздухоочистителя 237.02.04.00.000
1
2
3
4
5
6
7
8
9
10
11
12
13
14
15
16
17
18
19
20
21
22
23
24
| Позиция на иллюстрации | Заводской номер детали | Название детали | |
|---|---|---|---|
| 1 | А53.21.000-02 | Моноциклон А53.21.000-02 | |
| 2 | 286.02.03.00.001 | Труба | |
| 3 | БолтМ12х40 | Болт М12х40 | |
| 4 | ГайкаМ12 | Гайка М12 | |
| 5 | Шайба12.65Г | Шайба12.65Г | |
| 6 | 286.02.03.00.002 | Хомут | |
| 7 | 260-110.90015 | Воздухоочиститель 260-110.90015 | |
| 8 | 260-110.9009-А | Патрубок 260-110.9009-А | |
| 9 | 237.02.04.00.004 | Труба | |
| 10 | 237.02.04.00.001 | Патрубок | |
| 11 | 237.02.04.00.008 | Прокладка | |
| 12 | ГайкаМ12х1,25 | Гайка М12х1,25 | |
| 13 | 237.02.04.00.007 | Рукав 90х110 L=75 | |
| 14 | ХС-101.019 | Хомут стяжной ХС-101.019 | |
| 15 | 286.02.03.00.005 | Ось | |
| 16 | 286.02.03.00.006 | Ось | |
| 17 | 286.02.03.00.004 | Лента стяжная | |
| 18 | О.8842001 | Хомут | |
| 19 | 200.08.00.11.002 | Втулка | |
| 20 | БолтМ10х20 | Болт М10х20 | |
| 21 | ГайкаМ10 | Гайка М10 | |
| 22 | Шайба10.65Г | Шайба10.65Г | |
| 23 | 237.02.04.00.010 | Переходник | |
| 24 | БолтМ10х50 | Болт М10х50 |