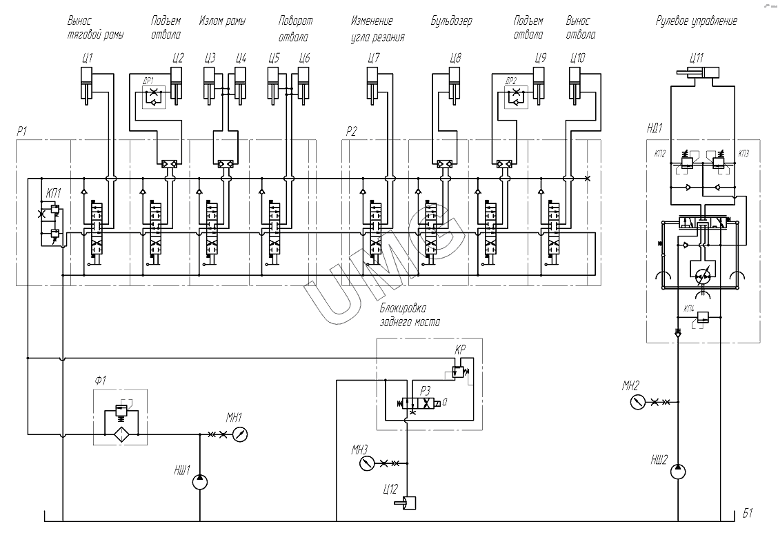
ГС-10.01. Схема гидравлическая принципиальная 258.00.00.00.000Г3
Б1
ДР1, ДР2
ДР1, ДР2
КП1
КП2, КП3
КП2, КП3
КР
MH1, MH2
MH1, MH2
МН3
Н1
Н2
НД1
Р1
Р2
Р3
Ц1
Ц2, Д9
Ц2, Д9
Ц3, Ц4
Ц3, Ц4
Ц5, Ц6
Ц5, Ц6
Ц7
Ц8
Ц10
Ц11
Ц12
| Позиция на иллюстрации | Заводской номер детали | Название детали | |
|---|---|---|---|
| Б1 | 258.04.01.00.000 | Блок масляных баков | |
| ДР1, ДР2 | 253.45.03.03.000 | Клапан замедлительный | |
| КП1 | Клапан | Клапан предохранительный | |
| КП2, КП3 | Клапан | Клапан предохранительный | |
| КР | КДР6П/3МРМ0,25В | Клапан редукционный | |
| MH1, MH2 | SPG063-00250-01-S-B04 | Манометр SPG 063-00250-01-S-B04 | |
| МН3 | SPG063-00016-01-S-B04 | Манометр SPG 063-00016-01-S-B04 | |
| Н1 | НШ-32-3 | Насос НШ-32-3 | |
| Н2 | НШ-10-Л-У-2 | Насос НШ-10-Л-У-2 | |
| НД1 | Д/100 | Насос-дозатор Д/100 | |
| Р1 | РМ12-01.1-6.0-9.0.2-9.0.3-6.0-K14 | Гидрораспределитель РМ12-01.1-6.0-9.0.2-9.0.3-6.0-K14 | |
| Р2 | РМ12-К15-6.0-9.0.2x2-6.0-К7 | Гидрораспределитель РМ12-К15-6.0-9.0.2x2-6.0-К7 | |
| Р3 | МКРН.306153.006МКРН.306153ТУ | Гидрораспределитель МКРН.306153.006 МКРН.306153 ТУ | |
| Ц1 | ГЦ03-80х50х400 | Гидроцилиндр ГЦ03-80х50х400 | |
| Ц2, Д9 | ГЦ05-80х50х800 | Гидроцилиндр ГЦ05-80х50х800 | |
| Ц3, Ц4 | ГЦ02-80х50х280 | Гидроцилиндр ГЦ02-80х50х280 | |
| Ц5, Ц6 | ГЦ05-80х50х710-03 | Гидроцилиндр ГЦ05-80х50х710-03 | |
| Ц7 | ГЦ05-80х50х280 | Гидроцилиндр ГЦ05-80х50х280 | |
| Ц8 | ГЦ02-80х50х400 | Гидроцилиндр ГЦ02-80х50х400 | |
| Ц10 | ГЦ05-80х50х1000-011 | Гидроцилиндр ГЦ05-80х50х1000-011 | |
| Ц11 | ГЦ02-63х32х200А | Гидроцилиндр ГЦ02-63х32х200А | |
| Ц12 | Капера | Капера мембранная |