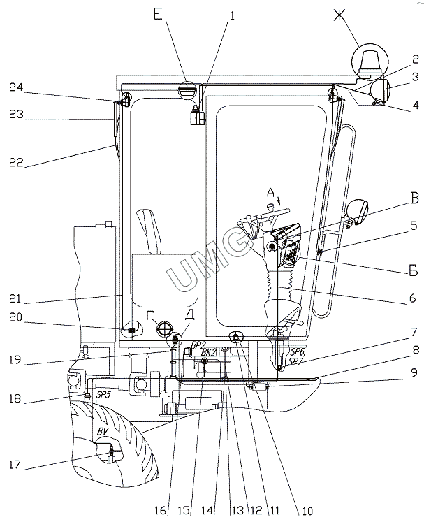
ГС-18.05. Электрооборудование кабины
1
2
3
4
5
6
7
8
9
10
11
12
13
15
16
17
18
19
20
21
22
23
24
| Позиция на иллюстрации | Заводской номер детали | Название детали | |
|---|---|---|---|
| 1 | 1112.5208000-01 | Стеклоомыватель электрический | |
| 2 | 274.09.26.00.000 | Провод фары | |
| 3 | Фара 761.3711 | Фара 761.3711 | |
| 4 | 200.09.00.00.003 | Вкладыш | |
| 5 | 200.09.06.00.018 | Втулка | |
| 6 | 752.19.03.00.00.000 | Жгут 7 | |
| 7 | ВК12-Б | Выключатель света «Стоп» гидравлический ВК12-Б | |
| 8 | 723.09.04.00.00.000 | Жгут 12 | |
| 9 | 723.09.05.00.000 | Жгут золотника | |
| 10 | 274.09.00.00.001 | Гайка | |
| 11 | ВК 503 | Выключатель ВК 503 | |
| 12 | 274.09.12.00.000 | Провод корпуса | |
| 13 | Шайба 8.65Г | Шайба 8.65Г | |
| 15 | Датчик ТМ 100-В | Датчик ТМ 100-В | |
| 16 | Датчик 11.3829010 | Датчик 11.3829010 | |
| 17 | ВБ2.18М.65.5.2.1.К | Выключатель бесконтактный индуктивный ВБ2.18М.65.5.2.1.К | |
| 18 | Реле давления | Реле давления | |
| 19 | Хомут пластиковый 300мм | Хомут пластиковый 300мм | |
| 20 | 2РТТ36КПН15Г20В | Розетка 2РТТ36КПН15Г20В | |
| 21 | 752.19.05.00.00.000 | Жгут 1 | |
| 22 | 5205900А | Щетка стеклоочистителя СЛ1108- | |
| 23 | 5205800 | Рычаг стеклоочистителя СЛ135В- | |
| 24 | СЛ135В-5205100А | Привод стеклоочиститель |