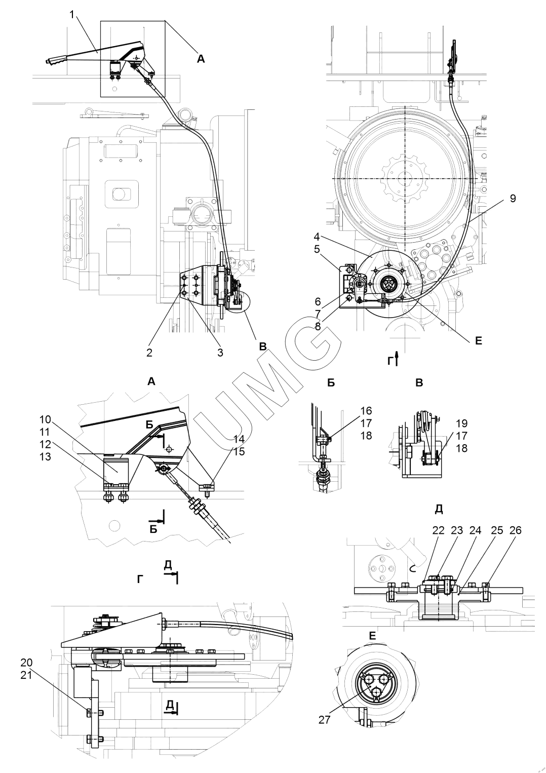
ДЗ-98В. Управление стояночным тормозом (ДЗ-98М2.13.04.300);Parking brake control
1
2
3
4
5
6
7
8
9
10
11
12
13
14
15
16
17
17
18
18
19
20
21
22
23
24
25
26
27
| Позиция на иллюстрации | Заводской номер детали | Название детали | |
|---|---|---|---|
| 1 | 2217-3508015 | Рычаг стояночного тормоза | |
| 2 | 067.24.11.063 | Штифт | |
| 3 | ДЗ-98В1.10.07.300 | Кронштейн | |
| 4 | ДЗ-98В1.10.07.115 | Диск | |
| 5 | ДЗ-98М2.13.04.310 | Кронштейн | |
| 6 | ДЗ-98В10.10.07.250 | Тормоз стояночный | |
| 7 | Болт М16-6gх75.58.019 | Болт М16-6gх75.58.019 | |
| 8 | Шайба 16 65Г 019 | Шайба 16 65Г 019 | |
| 9 | 330202-3508068 | Трос привода стояночного тормоза | |
| 10 | ДЗ-98М2.13.04.001 | Кронштейн | |
| 11 | Болт М10-6gх30.58.019 | Болт М10-6gх30.58.019 | |
| 12 | Гайка М10-6H.5.019 | Гайка М10-6H.5.019 | |
| 13 | Шайба 10 65Г 019 | Шайба 10 65Г 019 | |
| 14 | Болт М8-6gх25.58.019 | Болт М8-6gх25.58.019 | |
| 15 | Шайба 8 65Г 019 | Шайба 8 65Г 019 | |
| 16 | ДЗ-98М2.13.04.032 | Палец | |
| 17 | Шайба С.10.02.019 | Шайба С.10.02.019 | |
| 18 | Шплинт 3.2х20.019 | Шплинт 3.2х20.019 | |
| 19 | ДЗ-98М2.13.04.303 | Палец | |
| 20 | Болт М12-6gх30.58.019 | Болт М12-6gх30.58.019 | |
| 21 | Шайба 12 65Г 019 | Шайба 12 65Г 019 | |
| 22 | Д395Б-05-016 | Шайба | |
| 23 | Болт М12-6gх30.88.019 | Болт М12-6gх30.88.019 | |
| 24 | Кольцо 052-058-36-2-2 | Кольцо 052-058-36-2-2 | |
| 25 | ДЗ-98В1.10.07.330 | Диск | |
| 26 | А120.16.00.004-02 | Болт | |
| 27 | ДЗ-98.16.01.033 | Шайба стопорная |