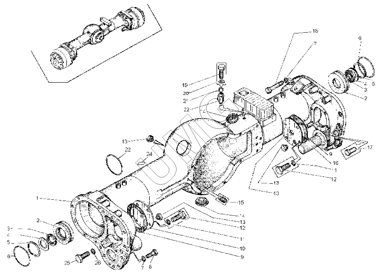
ДЗ-98В. Мост задний ведущий (ДЗ-98В1.62.00.000, ДЗ-98В1.62.00.000-01);Rear driving axle
1
1
2
2
3
3
4
4
5
5
6
6
6
7
7
9
9
10
11
12
12
13
13
13
15
16
17
18
19
20
21
22
23
24
25
26
| Позиция на иллюстрации | Заводской номер детали | Название детали | |
|---|---|---|---|
| 1 | ДЗ-98В1.62.00.360-01 | Траверса | |
| 1 | ДЗ-98В1.62.00.360 | Траверса | |
| 2 | ДЗ-98.62.00.042-02 | Корпус сальника | |
| 3 | Манжета 2.2-50х70-1 | Манжета 2.2-50х70-1 | |
| 4 | Д394-0201105 | Шайба | |
| 5 | Кольцо С80 | Кольцо С80 | |
| 6 | Кольцо 135-140-3-2-2 | Кольцо 135-140-3-2-2 | |
| 7 | Шайба 16.65Г.019 | Шайба 16.65Г.019 | |
| 8 | Болт М16-6gх50.88. 35х019(S24) | Болт М16-6gх50.88. 35х019(S24) | |
| 9 | Д395А-0201223 | Прокладка | |
| 10 | ДЗ-98А.62.00.053 | Крышка | |
| 11 | Шайба 12.65Г.019 | Шайба 12.65Г.019 | |
| 12 | Болт М12-6gх25.58.019(S18) | Болт М12-6gх25.58.019(S18) | |
| 13 | Д144-17-20 | Пробка коническая | |
| 14 | 375-1802285 | Пробка магнитная | |
| 15 | Д394-0201051 | Винт | |
| 16 | Д394-0201107 | Опора шаровая | |
| 17 | ДЗ-98А.62.00.057 | Палец установочный | |
| 18 | 067.11.11.116 | Болт | |
| 19 | Болт М8-6gх20.58.019 (S13) | Болт М8-6gх20.58.019 (S13) | |
| 20 | Шайба 8.65Г.019 | Шайба 8.65Г.019 | |
| 21 | Д395А-0201198 | Скоба | |
| 22 | Д395А-0201197-4 | Корпус | |
| 23 | Д394-0201167 | Прокладка | |
| 24 | Д395А-0201213 | Планка | |
| 25 | ДЗ-98В1.62.00.073 | Болт | |
| 26 | 375-31010040-Б | Гайка колеса |