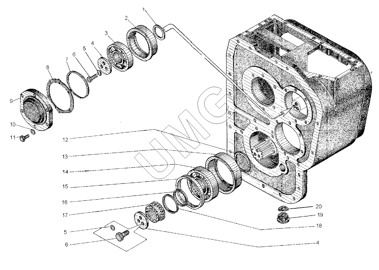
ДЗ-98В. Коробка передач (ДЗ-98.10.04.000);Gearbox
1
2
3
4
4
5
5
6
6
7
8
9
10
11
12
13
14
15
16
17
18
19
20
| Позиция на иллюстрации | Заводской номер детали | Название детали | |
|---|---|---|---|
| 1 | Д395Б.04.018 | Шайба | |
| 2 | Д395Б.04.109 | Стакан | |
| 3 | Подшипник 92412 | Подшипник 92412 | |
| 4 | ДЗ-98.10.04.123 | Шайба | |
| 5 | ДЗ-98.16.01.033-01 | Шайба стопорная | |
| 6 | Болт М12-6gх30.88.019(S18) | Болт М12-6gх30.88.019(S18) | |
| 7 | Д395Б.04.116 | Кольцо | |
| 8 | Д395Б.04.114 | Прокладка | |
| 9 | Д395Б.04.117-1 | Крышка | |
| 10 | Шайба 12.65Г.069 | Шайба 12.65Г.069 | |
| 11 | Болт М12-6gх35.58.019 | Болт М12-6gх35.58.019 | |
| 12 | Д395Б.04.128 | Кольцо | |
| 13 | Д395Б.04.124 | Стакан | |
| 14 | Подшипник 92317 | Подшипник 92317 | |
| 15 | Д395Б.04.125 | Кольцо | |
| 16 | Д395В.10.04.041 | Кольцо | |
| 17 | Д395Б.04.127 | Муфта | |
| 18 | Д395Б.04.126 | Кольцо | |
| 19 | 80102-2 | Пробка с магнитом поддона картера двигателя | |
| 20 | USIT M16 | Уплотнение |