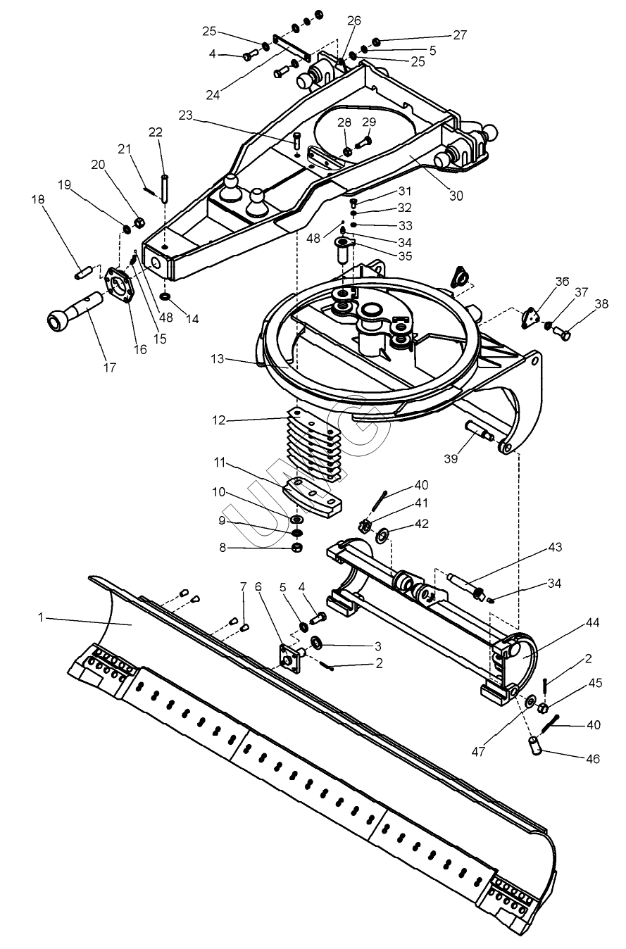
ДЗ-98В. Рама тяговая с отвалом (ДЗ-98Д.34.00.000);Traction frame with mouldboard
1
2
2
3
4
4
5
5
6
7
8
9
10
11
12
13
14
15
16
17
18
19
20
21
22
23
24
25
25
26
27
28
29
30
31
32
33
34
34
35
36
37
38
39
40
40
41
42
43
44
45
46
47
48
48
| Позиция на иллюстрации | Заводской номер детали | Название детали | |
|---|---|---|---|
| Д498-06-191 | Д498-06-191 | Гайка | |
| 1 | ДЗ-98Д.34.09.000 | Отвал | |
| 2 | Шплинт 6,3х71.019 | Шплинт 6,3х71.019 | |
| 3 | 067.14.12.131 | Шайба | |
| 4 | Болт М20-6gх55.58.019(S30) | Болт М20-6gх55.58.019(S30) | |
| 5 | Шайба 20.65Г.019 | Шайба | |
| 6 | ДЗ-98Д.34.05.000 | Опора штока | |
| 7 | Болт М20-6gx40.58.019 | Болт М20-6gx40.58.019 | |
| 8 | ДЗ-98Д.34.00.008 | Гайка | |
| 9 | Шайба 27.65Г.069 | Шайба 27.65Г.069 | |
| 10 | Д394-0601023 | Шайба | |
| 11 | ДЗ-98Д.34.00.006 | Накладка | |
| 12 | ДЗ-98Д.34.00.007 | Прокладка | |
| 13 | ДЗ-98Д.34.02.000 | Рама | |
| 14 | Д395Б-34-076 | Кольцо | |
| 15 | Масленка 2.2.45.Ц6 | Масленка 2.2.45.Ц6 | |
| 16 | Д395Б-34-044 | Опора шкворня | |
| 17 | ДЗ-98.34.00.024 | Шкворень | |
| 18 | Д395Б-34-081 | Шпилька специальная | |
| 19 | Шайба 24.65Г.069 | Шайба 24.65Г.069 | |
| 20 | Гайка М24-6Н.5.019(S36) | Гайка М24-6Н.5.019(S36) | |
| 21 | Шплинт 5х40.019 | Шплинт 5х40.019 | |
| 22 | А120.34.00.033 | Палец | |
| 23 | Д395Б-34-079 | Болт | |
| 24 | В138.25.00.003-01 | Тяга | |
| 25 | Шайба С20.02.019 | Шайба С20.02.019 | |
| 26 | В138.25.00.004 | Проушина | |
| 27 | Гайка М20-6Н.5.019(S30) | Гайка М20-6Н.5.019(S30) | |
| 28 | Гайка М30-6Н.8.019(S46) | Гайка М30-6Н.8.019(S46) | |
| 29 | Д395-0601014 | Болт | |
| 30 | ДЗ-98Д.34.01.000 | Балка несущая | |
| 31 | Болт М12-6gх40.58.019(S18) | Болт М12-6gх40.58.019(S18) | |
| 32 | Шайба 12.65Г.019 | Шайба 12.65Г.019 | |
| 33 | Шайба С12.02.019 | Шайба С12.02.019 | |
| 34 | Масленка 1.2.Ц6 | Масленка 1.2.Ц6 | |
| 35 | ДЗ-98Д.34.06.100 | Ось | |
| 36 | ДЗ-98А.30.00.037 | Втулка | |
| 37 | Шайба 16.65Г.019 | Шайба 16.65Г.019 | |
| 38 | Болт М16-6gх40.58.019(S24) | Болт М16-6gх40.58.019(S24) | |
| 39 | ДЗ-98Д.34.00.001 | Палец | |
| 40 | Шплинт 8х80.019 | Шплинт 8х80.019 | |
| 41 | 067.13.12.091 | Гайка прорезная | |
| 42 | 067.14.11.092 | Шайба | |
| 43 | ТО-40.25.15.020-01 | Ось | |
| 44 | ДЗ-98Д.34.04.000-02 | Опора отвала | |
| 45 | Гайка М36х3-6Н.6 | Гайка М36х3-6Н.6 | |
| 46 | Д395Б-34-039 | Палец | |
| 47 | Шайба С36х4 Ст3пс3.019 | Шайба С36х4 Ст3пс3.019 | |
| 48 | 24-2904142 | Колпачок пресс-масленки |