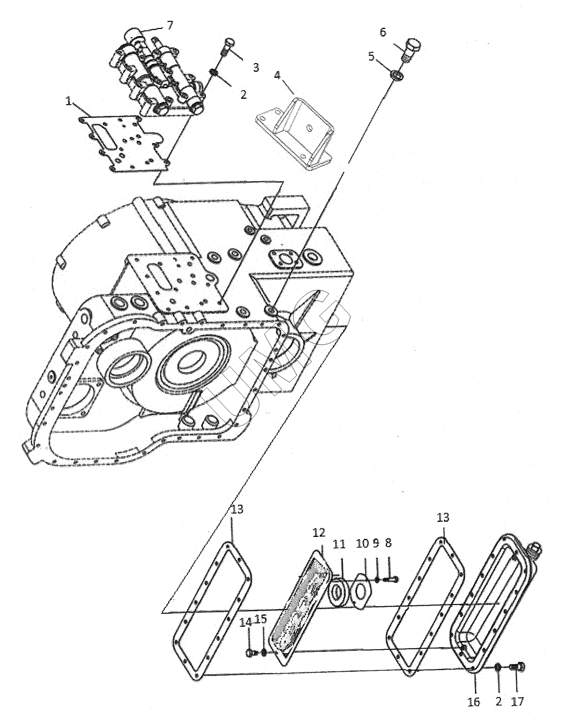
WL50. КПП в сборе 2 (370801)
1
2
2
3
4
5
6
7
8
9
10
11
12
13
13
14
15
16
17
| Позиция на иллюстрации | Заводской номер детали | Название детали | |
|---|---|---|---|
| 1 | BD15-00018 | Прокладка | |
| 2 | 01602-21030 | Шайба | |
| 3 | 01010-81070 | Болт | |
| 4 | BD15-10000 | Опора | |
| 5 | 01602-21854 | Шайба | |
| 6 | 01010-81840 | Болт | |
| 7 | BD15-09000 | Блок клапанов | |
| 8 | 01010-80640 | Болт | |
| 9 | 01602-20619 | Шайба | |
| 10 | BD15-06001 | Пластина | |
| 11 | BD08-00038 | Магнит | |
| 12 | BD15-06100 | Фильтр-модуль | |
| 13 | BD15-00027 | Прокладка | |
| 14 | 01010-80810 | Болт | |
| 15 | 01602-20825 | Шайба | |
| 16 | BD15-06200 | Масляный картер | |
| 17 | 01010-61030 | Болт |