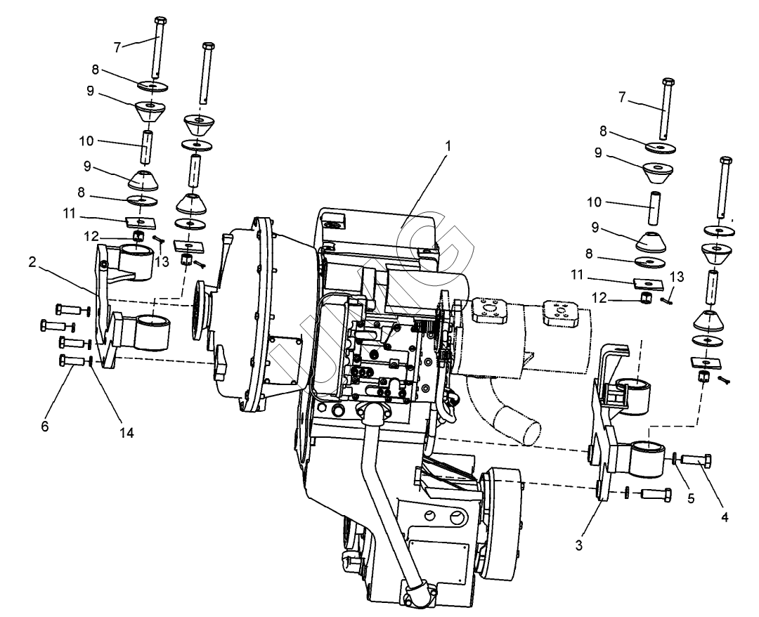
TL-155. Установка гидромеханической передачи (15502.10.00.000)
1
2
3
4
5
6
7
7
8
8
8
8
9
9
9
9
10
10
11
11
12
12
13
13
14
| Позиция на иллюстрации | Заводской номер детали | Название детали | |
|---|---|---|---|
| 1 | ГМП 4WG-180 | ГМП 4WG-180 | |
| 2 | 15502.10.00.030 | Опора | |
| 3 | 15502.10.00.010 | Опора | |
| 4 | Болт М20-6gх60.88.019 | Болт М20-6gх60.88.019 | |
| 5 | Шайба 20 65Г 019 | Шайба 20 65Г 019 | |
| 6 | Болт М16-6gх50.88.019 | Болт М16-6gх50.88.019 | |
| 7 | 067.11.17.035-04 | Болт | |
| 8 | 067.14.11.035 | Шайба | |
| 9 | А120.11.00.015 | Амортизатор | |
| 10 | А120.11.00.016 | Втулка | |
| 11 | Д395-0101002 | Подкладка | |
| 12 | Гайка M16-6H.5.019 | Гайка | |
| 13 | Шплинт 4х32.019 | Шплинт 4х32.019 | |
| 14 | Шайба 20 65Г 019 | Шайба 20 65Г 019 |