Warning: unlink(/var/www/storage/cache/cache.catalog.language.1774142757): No such file or directory in /var/www/html/system/library/cache/file.php on line 68 TL-155. Гидросистема вентилятора (TL155.46.30.000)
В товарах В каталоге запчастей

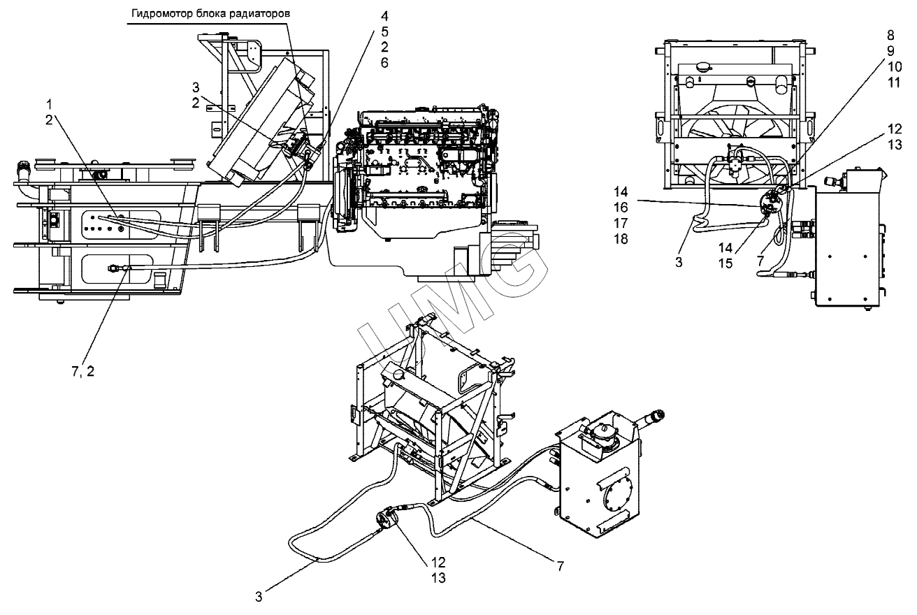
TL-155. Гидросистема вентилятора (TL155.46.30.000)

zoom-in zoom-out enlarge shrink circle-right circle-left file-text2 info cart
1
2
2
2
2
3
3
3
4
5
6
7
7
7
8
9
10
11
12
12
13
13
14
14
15
16
17
18
Позиция на иллюстрации Заводской номер детали Название детали
1 РВД 12,7-110-2000-0,18-11/15-M22x1.5/D31(28,3x28,3)-У1 РВД
2 К200МВ Стяжка
3 РВД 12,7-110-3000-0,18-68.90/15-M22x1.5/D26(24,8х24,8)-У1-СПП РВД
4 048.05.01.046 Штуцер
5 РВД6,4-90-2000-0,1-11/11-90-М16х1.5/М16х1.5-У1 РВД
6 Уплотнение USIT M12 Уплотнение
7 РВД 25,4-35-2500-0,34-11.90/68.90-М42х2/М30х2-У1-90 РВД
8 TL150.43.00.031 Шайба 14.65Г.019
9 Болт М14х1.5-6gх45.88.019 ГОСТ 7796-70 Болт
10 Шайба 14.65Г.019 ГОСТ 6402 Шайба
11 Q2-27R-S03D13-CG05G05G04G04 Гидронасос
12 Уплотнение G1 Уплотнение
13 Фитинг GE22LR1 Фитинг
14 Уплотнение G3/4 Уплотнение
15 Фитинг GE15LR3/4 Фитинг
16 Уплотнение G1/4 Уплотнение
17 Фитинг R13/4EDX1/4 Фитинг
18 SMK-20G1/4-PC Муфта измерительная
АвтоКаталог-онлайн предоставлен Компанией АвтоСофт