Товары
Каталог запчастей
Личный кабинет
Авторизация
Портал для заказа запасных частей
В товарах
В каталоге запчастей
Внимание!!! Сайт только для тестирования.
Каталоги запчастей к технике UMG
ЧСДМ
TL-155
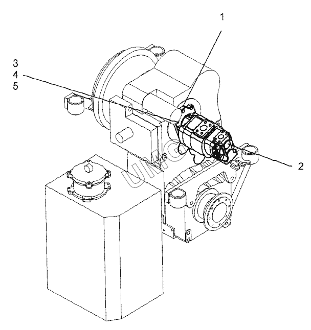
Установка гидронасоса (TL155.46.00.010)
TL-155. Установка гидронасоса (TL155.46.00.010)
zoom-in
zoom-out
enlarge
shrink
circle-right
circle-left
file-text2
info
cart
1
2
3
4
5
Позиция на иллюстрации
Заводской номер детали
Название детали
1
В160М.43.00.002
Прокладка
2
GHD2-100/GHD1-27R-S06D14-SE06E04/NE02-NP
Гидронасос тандемированный
3
Гайка М12х1,25-6Н.8.019 ГОСТ5915-70
Гайка
4
067.15.11.122
Шпилька
5
Шайба 12.65Г.019 ГОСТ 6402-70
Шайба
Дополнительная информация
×
Название:
Номер:
Примечание:
АвтоКаталог-онлайн предоставлен
Компанией АвтоСофт