TL-155. Электрооборудование кабины (TL150.41.01.000-01)
1
2
2
2
2
2
3
3
3
3
3
3
3
4
4
4
4
4
4
5
5
5
6
7
8
9
9
10
11
12
13
14
15
16
17
18
19
20
21
22
23
24
25
25
25
26
27
28
29
29
30
31
32
33
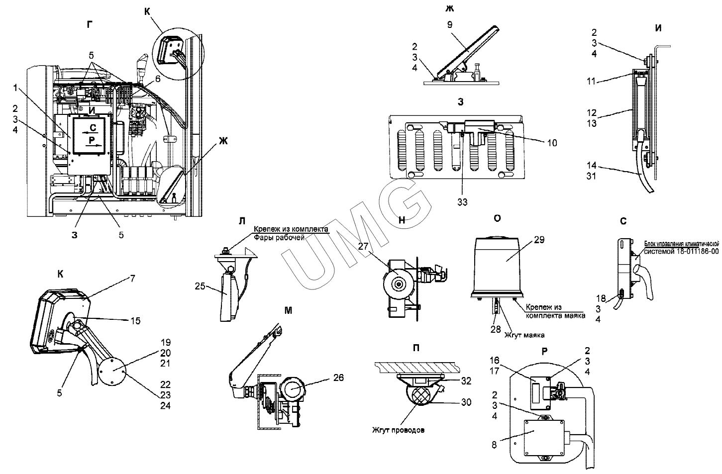
| Позиция на иллюстрации | Заводской номер детали | Название детали | |
|---|---|---|---|
| 1 | PAG.41.01.010-10 | Блок коммутации Линком | |
| 2 | Болт М6-6gх20.58.019 ГОСТ 7798-70 | Болт | |
| 3 | Шайба 6.65Г.019 ГОСТ 6402-70 | Шайба | |
| 4 | Шайба С6.02.019 ГОСТ 11371-78 | Шайба | |
| 5 | КСУ 9х180 | Кабельный хомут | |
| 6 | TL150.41.30.050-20 | Жгут | |
| 7 | Дисплей | Дисплей камер заднего вида | |
| 8 | Блок управления | Блок управления реверсом | |
| 9 | 71030KO-27SD-30 | Педаль акселератора | |
| 9 | RDP46 | Педаль акселератора | |
| 10 | SL-5-24V | Электрозамок | |
| 11 | Блок управления ГМП | Блок управления ГМП | |
| 12 | В160.41.01.002-00 | Скоба | |
| 13 | В160.41.01.003-00 | Прокладка | |
| 14 | Жгут ГМП | Жгут ГМП | |
| 15 | Винт В.М5-6gx20.36.019 ГОСТ 17475-80 | Винт | |
| 16 | SU-FDC АГБР.551.00.00 | Блок управления | |
| 17 | СМС-32 | Соеденительный разъем | |
| 18 | Болт М6-6gх16.58.019 ГОСТ 7798-70 | Болт | |
| 19 | RAM-B-101U-C | Крепление универсальное | |
| 20 | ПМО 22х16 | Площадки с монтажным отверстием | |
| 21 | Саморез с прессшайбой, острый 4.2х16 | Саморез с прессшайбой | |
| 22 | Винт В.М4-6gx16.58.019 ГОСТ 17475-80 | Винт | |
| 23 | Шайба 4.65Г.019 ГОСТ 6402-70 | Шайба | |
| 24 | Шайба С4.02.019 ГОСТ 11371-78 | Шайба | |
| 25 | ФР 01-18 | Фара рабочая | |
| 25 | 112.07.54-16 | Фара рабочего освещения | |
| 25 | Фара | Фара | |
| 26 | А21-70.00 | Стеклоочиститель | |
| 27 | YXYG 105 | Стеклоочиститель | |
| 28 | TL150.41.30.060-01 | Жгут каркаса кабины | |
| 29 | МП 03.24-04 | Маяк проблесковый | |
| 29 | МИ 07АЖ | Маяк светодиодный импульсный | |
| 30 | КСС 5/350 | Кабельная стяжка | |
| 31 | 07-150000-00 | Жгут проводов моторедуктора | |
| 32 | 2-100732-2 | Монтажные опоры | |
| 33 | Гайка М5-6Н.5.10.019 ГОСТ 5927-70 | Гайка |