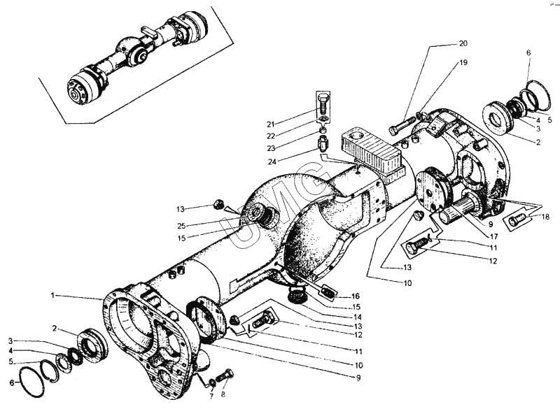
ДЗ-98В. Мост задний ведущий
1
2
2
3
3
4
4
5
5
6
6
6
7
8
9
9
10
10
11
11
12
12
13
13
13
14
15
15
16
17
18
19
20
21
22
23
24
25
| Позиция на иллюстрации | Заводской номер детали | Название детали | |
|---|---|---|---|
| 1 | Д394.0201.901-1 | Траверса | |
| 2 | ДЗ-98.62.00.042-01 | Корпус сальника | |
| 3 | 1-50х90-1 8752 | Манжета | |
| 4 | Д394.0201.105 | Шайба | |
| 5 | С80 13941 | Кольцо | |
| 6 | 135-140-3-2-2 | Кольцо | |
| 6 | 18829/9833 | Кольцо | |
| 7 | 12.65Г.069 | Шайба | |
| 8 | М12-6gх40.58.019 7796 | Болт | |
| 9 | Д395А.0201.223 | Прокладка | |
| 10 | ДЗ-98А.62.00.053 | Крышка | |
| 11 | 2 3282 | Проволока I=3500мм | |
| 12 | Д395А.0201.182 | Болт | |
| 13 | Д144-17-20 | Пробка коническая | |
| 14 | С100-01483 | Пробка магнитная в сборе | |
| 15 | С80-40927 | Кольцо медноасбестовое | |
| 16 | Д394.0201.051 | Винт | |
| 17 | Д394.0201.107 | Опора шаровая | |
| 18 | ДЗ-98А.62.00.057 | Палец установочный | |
| 19 | 16.65Г.069 6402 | Шайба | |
| 20 | М16-6gх100.58.019 7796 | Болт | |
| 21 | М8-6gх20.58.019 7796 | Болт | |
| 22 | 8.65Г.069 6402 | Шайба | |
| 23 | Д395.0503.107-3 | Ограничитель | |
| 24 | Д395А.0201.197-3 | Корпус | |
| 25 | Д144-49-061 | Пробка |