В товарах В каталоге запчастей

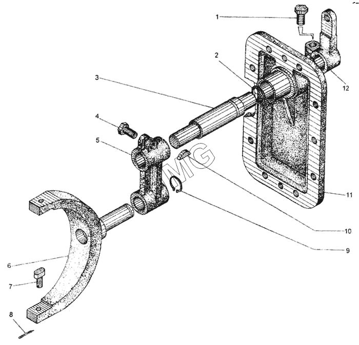
ДЗ-98В. Механизм переключения мультипликатора

zoom-in zoom-out enlarge shrink circle-right circle-left file-text2 info cart
1
2
2
3
4
5
6
7
8
9
10
11
12
Позиция на иллюстрации Заводской номер детали Название детали
1 М12-6gх25.58.019 7796 Болт
2 024-030-36-2-2 Кольцо
2 18829/9833 Кольцо
3 ДЗ-98.10.04.169 Вал
4 М10-6g25.58.019 7796 Болт
5 Д395Б.04.089 Рычаг
6 Д395Б.04.180 Вилка
7 Д395Б.04.071 Сухарик
8 2х20 397 Шплинт
9 1Б25 13942 Кольцо
10 Д395Б.03.028 Шпонка сегментная
11 ДЗ-98. 10. 04. 175 Крышка
12 Д395В. 13.01. 110 Рычаг
АвтоКаталог-онлайн предоставлен Компанией АвтоСофт