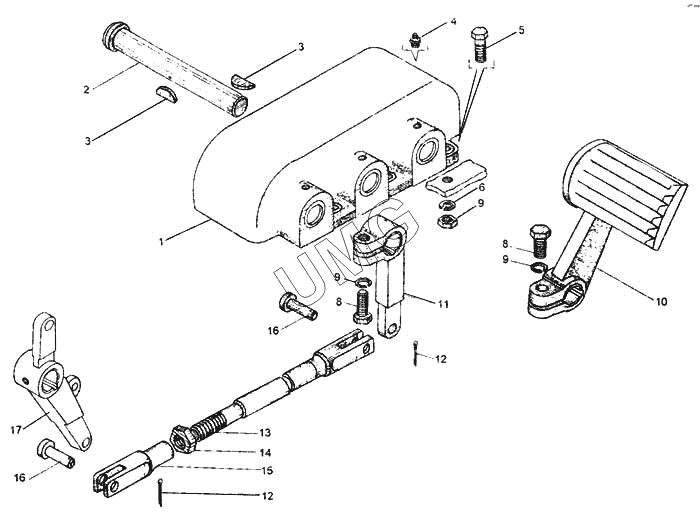
ДЗ-98В. Механизм управления муфтой сцепления
1
2
3
3
4
5
6
7
8
8
9
9
10
11
12
12
13
14
15
16
16
17
| Позиция на иллюстрации | Заводской номер детали | Название детали | |
|---|---|---|---|
| 1 | ДЗ-98.13 01.023-01 | Корпус | |
| 2 | ДЗ-98В.13.01.001 | Валик | |
| 3 | Д395Б.03.028 | Шпонка сегментная | |
| 4 | 1.3.Ц6 19853 | Масленка | |
| 5 | М10-6gх35.58 019 7796 | Болт | |
| 6 | 10.65Г.069 6402 | Шайба | |
| 7 | М10-6Н.5.019 5915 | Гайка | |
| 8 | М12-6gх30.58.019 7796 | Болт | |
| 9 | 12.65Г.069 6402 | Шайба | |
| 10 | Д395В.13.01 130 | Педаль | |
| 11 | Д395В.13.01 110 | Рычаг | |
| 12 | 3.2х20-019 397 | Шплинт | |
| 13 | ДЗ-98В.1301.010 | Тяга | |
| 14 | М16-6Н.5.019 5915 | Гайка | |
| 15 | ДЗ-98.43.01.019 | Головка тяги | |
| 16 | Д395А.0117.008 | Палец | |
| 17 | Д395В.13.01.090 | Рычаг |