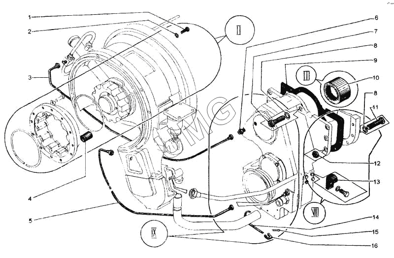
ДЗ-98В. Трансмиссия
1
2
3
4
5
6
7
8
8
9
10
11
12
13
14
15
16
| Позиция на иллюстрации | Заводской номер детали | Название детали | |
|---|---|---|---|
| 1 | Д395Б.01.053 | Болт | |
| 2 | 12.65Г.069 6402 | Шайба | |
| 3 | ДЗ-98 10.00.040 | Трубка | |
| 4 | Д395Б.01.121 | Палец резиновый | |
| 5 | Д395.0402 905-1 | Шланг в сборе | |
| 6 | Д394.0402.058 | Ниппель концевой | |
| 7 | М16-8gх55.58.019 7796 | Болт | |
| 8 | 16.65Г.069 6402 | Шайба | |
| 9 | ДЗ-98.10.00.022 | Прокладка | |
| 10 | Д395Б.10.001 | Муфта | |
| 11 | М16-6gх65.58.019 7796 | Болт | |
| 12 | М16-7Н 5.019 5915 | Гайка | |
| 13 | 067.36.11.611 | Хомутик | |
| 14 | Д395.0302.059 | Лента | |
| 15 | 6,3х36.019 397 | Шплинт | |
| 16 | 700-41-3442 | Рамка |