В товарах В каталоге запчастей

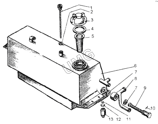
ДЗ-98В. Бак масляный в сборе

zoom-in zoom-out enlarge shrink circle-right circle-left file-text2 info cart
1
2
3
4
5
6
7
7
8
9
10
11
12
13
Позиция на иллюстрации Заводской номер детали Название детали
1 Д395.0302.905 Линейка масломерная
2 Д395.0313.122 Прокладка
3 ДЗ-98.38.00.022 Пробка
4 Д395.0302.128 Прокладка
5 ДЗ-98.38.00.050 Сетка
6 ДЗ-98.38.00.010 Бак масляный
7 Д395.0302.110 Кольцо медное
8 ДЗ-98.38.00.090 Патрубок
9 ДЗ-98.38.00.120 Заборник
10 1 3282 Проволока L=200 мм
11 16-60±100 3722 Шарик
12 Д144-33-025 Шайба специальная
13 Д144-33-024 Штуцер
АвтоКаталог-онлайн предоставлен Компанией АвтоСофт