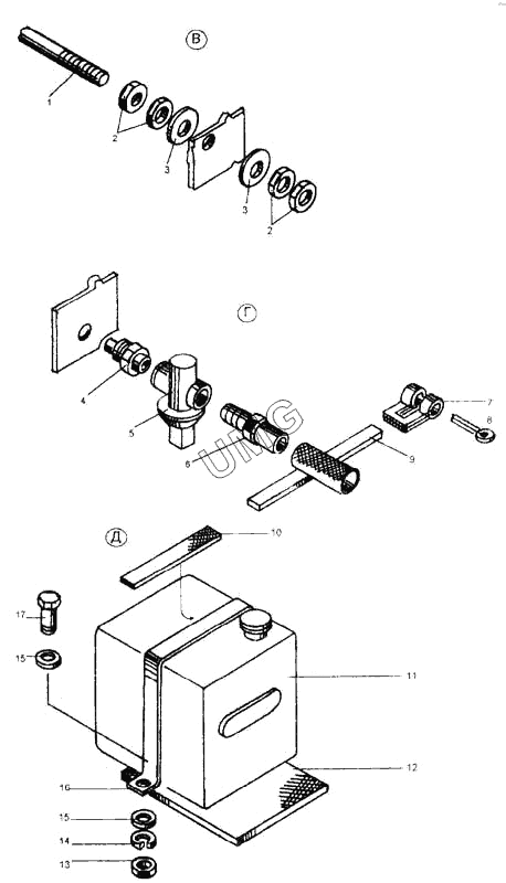
ДЗ-98В. Система охлаждения и разогрева двигателя
1
2
2
3
3
4
5
6
7
8
9
10
11
12
13
14
15
15
16
17
| Позиция на иллюстрации | Заводской номер детали | Название детали | |
|---|---|---|---|
| 1 | ДЗ-98В.33.00.068 | Стяжка | |
| 2 | М12.6Н.5.019 5915 | Гайка | |
| 3 | С12.02.019 11371 | Шайба | |
| 4 | ДЗ-98В.33.00.028 | Штуцер | |
| 5 | 11Б6бк (20-10) | Кран муфтовый | |
| 6 | Д395В.37.00.040-01 | Штуцер | |
| 7 | 700-41-3442 | Рамка | |
| 8 | 6,3х36.019 397 | Шплинт | |
| 9 | Д395.0302.059 | Лента | |
| 10 | ДЗ-98В.33.00.105 | Прокладка | |
| 11 | 5320-1311010 | Бачок расширительный | |
| 12 | ДЗ-98В.33.00.106 | Прокладка | |
| 13 | М8.6Н.5.019 5915 | Гайка | |
| 14 | 8.65Г.019 6402 | Шайба | |
| 15 | С8.02.019 11371 | Шайба | |
| 16 | ДЗ-98В.33.00.104 | Скоба | |
| 17 | М8-6gх30.58.019 7798 | Болт |