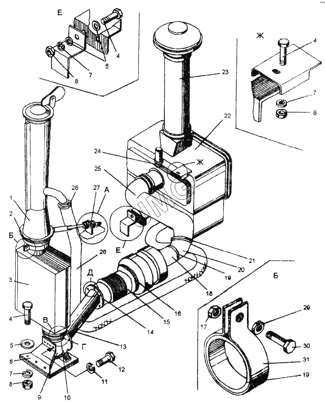
ДЗ-98В. Система всасывания и выхлопа
1
2
3
4
4
4
5
5
6
7
7
7
8
8
8
9
10
11
12
13
14
15
16
17
18
19
19
20
21
22
23
24
25
26
27
28
29
30
31
| Позиция на иллюстрации | Заводской номер детали | Название детали | |
|---|---|---|---|
| 1 | ДЗ-98В.32.10.210-1 | Эжектор | |
| 2 | 067.36.11.144 | Хомут | |
| 3 | ДЗ-140А.32.00.510 | Глушитель | |
| 4 | М12-6gх35.58.019 7798 | Болт | |
| 5 | С12.02.069 11371 | Шайба | |
| 6 | ДЗ-98В.32.00142 | Кронштейн | |
| 7 | 12.65Г.019 ГОСТ 6402-70 | Шайба | |
| 8 | М12-6Н.5.019 5915 | Гайка | |
| 9 | ДЗ-98В.32.00.141 | Переходник | |
| 10 | ДЗ-98В.32.00.157 | Прокладка | |
| 11 | 8.65Г.069 6402 | Шайба | |
| 12 | М12-6gх25.58.019 7798 | Болт | |
| 13 | ДЗ-98В.32.00.170-01 | Труба | |
| 14 | ДЗ-98.32.00.059 | Прокладка | |
| 15 | ДЗ-98.32.00.590 | Компенсатор | |
| 16 | ДЗ-98В.32.00.108 | Прокладка | |
| 17 | М10-6Н.5.019 5915 | Гайка | |
| 18 | ДЗ-98В.32.00.180 | Труба | |
| 19 | ДЗ-98В.32.00.169 | Прокладка | |
| 20 | 7536.092 | Переходник | |
| 21 | 120-130-3 | Хомут | |
| 22 | ДЗ-98В.32.10.010 | Воздухоочиститель | |
| 23 | ДЗ-98В.32.00.200 | Воздухозаборная труба | |
| 24 | ИЗВ-500 | Индикатор засоренности воздуха | |
| 25 | 125х925 | Рукав | |
| 26 | ДЗ-98В.32.00.154 | Рукав 50х61,5-15 | |
| 27 | ДЗ-98В.32.00.153 | Стойка | |
| 28 | ДЗ-98.43.00.480-02 | Хомут | |
| 29 | 10.65Г.069 6402 | Шайба | |
| 30 | М10-6gх55.58.059 7798 | Болт | |
| 31 | 067.36.11.117 | Хомут |