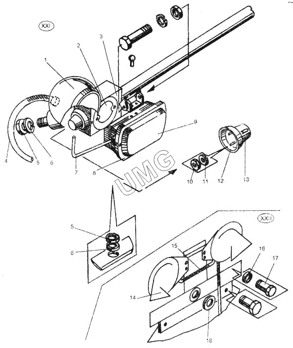
ДЗ-98В. Установка электрооборудования
1
2
3
4
5
5
6
6
7
8
9
10
11
12
13
14
15
16
17
18
| Позиция на иллюстрации | Заводской номер детали | Название детали | |
|---|---|---|---|
| 1 | 305.3711 | Фара | |
| 2 | ПФ 101-В | Фонарь передний | |
| 3 | ДЗ-98.41.00.013 | Крышка | |
| 4 | ДЗ-98А 41 00.280 | Провод | |
| 5 | М12х1.25-6Н.5.019 5915 | Гайка | |
| 6 | 12.65Г.069 6402 | Шайба | |
| 7 | ДЗ-98А.41.00.300 | Провод | |
| 8 | ФГ-152 | Фара | |
| 9 | АКГ 24-70 2023.1 | Лампа | |
| 10 | М5-6Н. 5.019 5927 | Гайка | |
| 11 | 5.65Г.069 6402 | Шайба | |
| 12 | УП 101Б 6964 | Боковой повторитель поворотов | |
| 13 | А24-21-3 2023.1 | Лампа | |
| 14 | С306Т.С307Г | Комплект рупорных сигналов | |
| 15 | ДЗ-98А.41.00.280-07 | Провод | |
| 16 | 6.65Г.069 6402 | Шайба | |
| 17 | М6-6gх16.58.019 7798 | Болт | |
| 18 | Д395А-0401.269 | Кольцо |