ДЗ-98В. Установка электрооборудования
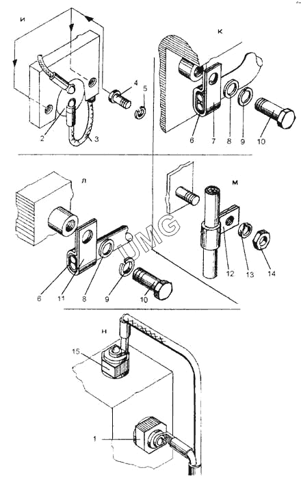
1
2
3
4
5
6
6
7
8
8
9
9
10
10
11
12
13
14
15
| Позиция на иллюстрации | Заводской номер детали | Название детали | |
|---|---|---|---|
| 1 | 45 7382 5054 | Датчик указателя температуры ТМ 100-В | |
| 2 | ШР-51 | Розетка | |
| 3 | ДЗ-98А.41.00.280-02 | Провод | |
| 4 | 81.М4-6gх10.58.019 17473 | Винт | |
| 5 | 4.65Г.069 6402 | Шайба | |
| 6 | ДЗ-98.41.00.008 | Прокладка | |
| 7 | 067.36.11.581 | Хомут | |
| 8 | С6.02.019 11371 | Шайба | |
| 9 | 6.65Г.069 6402 | Шайба | |
| 10 | М6-6gх16.58.010 7798 | Болт | |
| 11 | 067.36.11.575 | Хомут | |
| 12 | 067.36.11.561 | Хомут | |
| 13 | 10.65Г.069 6402 | Шайба | |
| 14 | М10-6Н.5.019 5915 | Гайка | |
| 15 | 45 7382 5123 | Датчик сигнализатор температуры ТМ 111 |