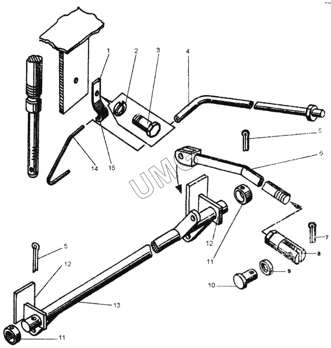
ДЗ-98В. Управление регулятором
1
2
3
4
5
5
6
7
8
9
10
11
11
12
12
13
14
15
| Позиция на иллюстрации | Заводской номер детали | Название детали | |
|---|---|---|---|
| 1 | 067.37.11.031 | Скоба | |
| 2 | 8.65Г.069 6402 | Шайба | |
| 3 | М8-6gх16.58.019 7798 | Болт | |
| 4 | ДЗ-98В.39.00.004 | Оплетка | |
| 5 | 3,2х32.019 397 | Шплинт | |
| 6 | ДЗ-98В.39.01.040 | Тяга | |
| 7 | 2х20.019 397 | Шплинт | |
| 8 | ДЗ-98В.39.01.007 | Вилка | |
| 9 | С8.02.019 11371 | Шайба | |
| 10 | 067.43.11.034 | Палец | |
| 11 | С16.02.019 11371 | Шайба | |
| 12 | ДЗ-98В.39.01.090 | Кронштейн | |
| 13 | ДЗ-98В1.39.02.030 | Рычаг | |
| 14 | ДЗ-98В.39.01.060 | Элемент тяговый | |
| 15 | ДЗ-98В.39.01.008 | Пластина 1Ф-I-МБС-М-1 10х20 |