В товарах В каталоге запчастей

ДЗ-98В. Управление регулятором

zoom-in zoom-out enlarge shrink circle-right circle-left file-text2 info cart
1
2
3
4
5
6
7
8
9
10
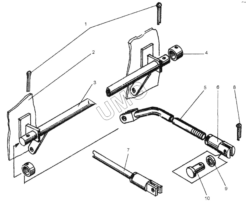
Позиция на иллюстрации Заводской номер детали Название детали
1 3,2х32 397 Шплинт
2 ДЗ-98В.39.01.090 Кронштейн
3 ДЗ-98В1.39.02.030 Рычаг
4 С1602.019 11371 Шайба
5 ДЗ-98В.3901.040 Тяга
6 ДЗ-98В.39.01.007 Вилка
7 ДЗ-98В1.39.02.040 Тяга
8 2х20 397 Шплинт
9 С8.02.019 11371 Шайба
10 067.43.11.034 Палец
АвтоКаталог-онлайн предоставлен Компанией АвтоСофт