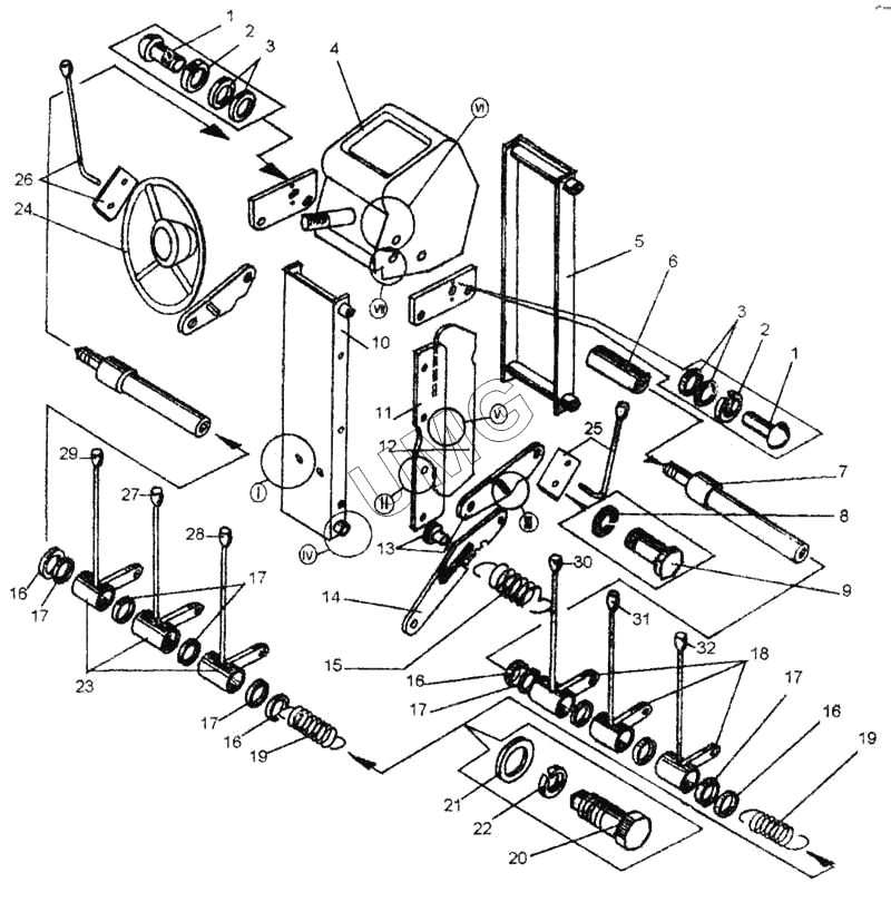
ДЗ-98В. Колонка рулевая
1
1
1
2
2
3
3
4
4
5
6
7
8
9
10
11
12
13
14
15
16
16
16
16
17
17
17
17
17
18
19
19
20
21
22
23
24
25
26
27
28
29
30
31
32
| Позиция на иллюстрации | Заводской номер детали | Название детали | |
|---|---|---|---|
| 1 | 17473 | Винт | |
| 1 | ВМ4-6gх16.58.019 | Винт | |
| 2 | 4.65Г.019 6402 | Шайба | |
| 3 | С6.02.019 11371 | Шайба | |
| 4 | ДЗ-140А.50.01 000-11 | Пульт управления | |
| 4 | ДЗ-140А.50.01.180 | Пульт управления | |
| 5 | ДЗ-140А.50.10.010 | Корпус | |
| 6 | ДЗ-140А.50.10.053 | Муфта | |
| 7 | ДЗ-140А.50.20.010-10 | Вал | |
| 8 | 10.65Г.019 6402 | Шайба | |
| 9 | М 10-6gх45.58 019 7798 | Болт | |
| 10 | ДЗ-140А.50.10.020-10 | Корпус | |
| 11 | ДЗ-140А.50.10.013 | Шторка | |
| 12 | ДЗ-140А 50 10.012 | Шторка | |
| 13 | ДЗ-140А.50.10.110 | Рычаг | |
| 14 | ДЗ-140А. 50 10.090 | Рычаг | |
| 15 | ДЗ-140А.50.10.018 | Пружина | |
| 16 | 067.14.11.053 | Шайба | |
| 17 | ДЗ-140А.50.00.003 | Кольцо | |
| 18 | ДЗ-140А.50.20.020-10 | Рычаг | |
| 19 | 067.51.00.241 | Пружина | |
| 20 | ДЗ-140А.50.10.079 | Болт | |
| 21 | 067.14.11.031 | Шайба | |
| 22 | 8.65Г.019 6402 | Шайба | |
| 23 | ДЗ-140А.50.20.030-10 | Рычаг | |
| 24 | 4310-3721.01В | Колесо рулевое | |
| 25 | ДЗ-140А.50.10.080 | Ручка | |
| 26 | ДЗ-140А. 50.10.080-01 | Ручка | |
| 27 | ДЗ-140А.50.09.000 | Ручка | |
| 28 | ДЗ-140А.50.09.000-01 | Ручка | |
| 29 | ДЗ-140А.50.09.000-04 | Ручка | |
| 30 | ДЗ-140А.50.09.000-07 | Ручка | |
| 31 | ДЗ-140А.50.09.000-08 | Ручка | |
| 32 | ДЗ-140А.50.09.000-09 | Ручка |