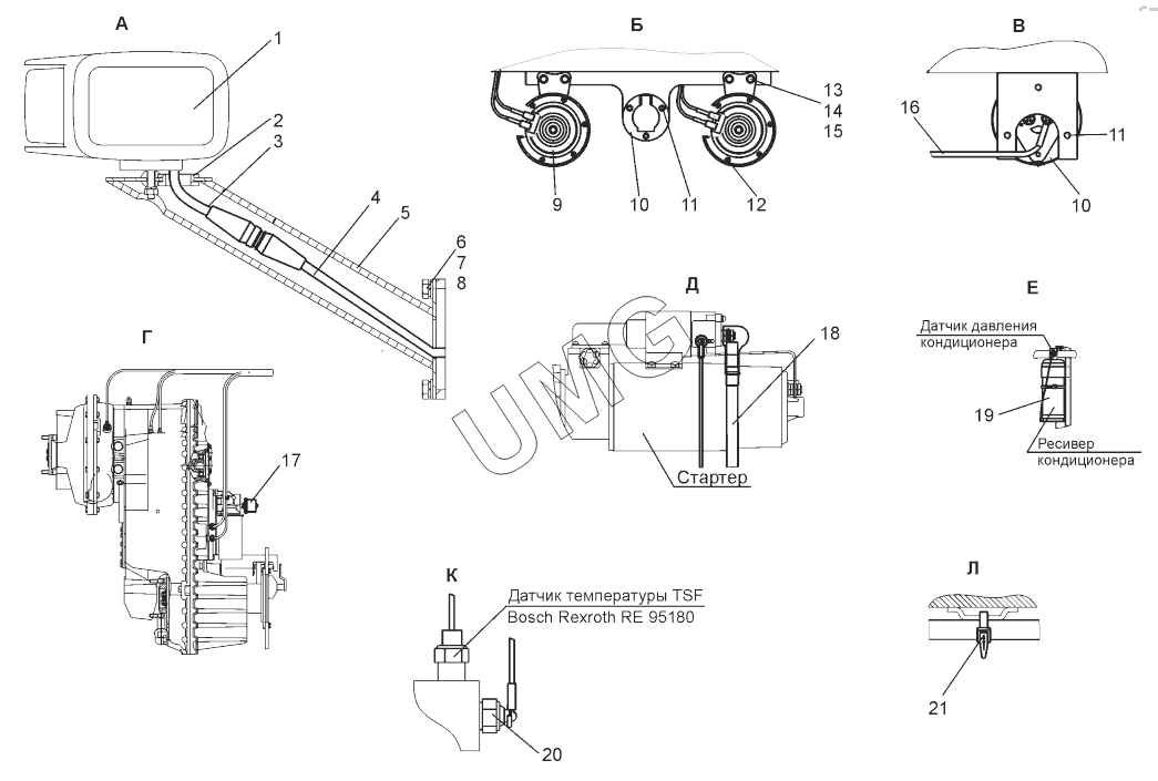
TL-150. Электрооборудование погрузчика (TL150.41.00.000-01)
1
2
3
4
5
6
7
8
9
10
10
11
11
12
13
14
15
16
17
18
19
20
21
| Позиция на иллюстрации | Заводской номер детали | Название детали | |
|---|---|---|---|
| 1 | СОВО-05.479.000 | Фара правая | |
| 2 | Д395А-04.01.300 | Кольцо | |
| 3 | В140.41.30.090 | Жгут | |
| 4 | TL150.41.30.040 | Жгут передней рамы | |
| 5 | TL150.41.00.010 | Кронштейн | |
| 6 | БолтМ10-6gх35.58.019 | Болт | |
| 7 | Шайба10.65Г.019 | Шайба 10.65Г.019 | |
| 8 | ШайбаC10.02.019 | Шайба C10.02.019 | |
| 9 | С313 | Сигнал звуковой | |
| 10 | ПС-400 | Розетка переностной лампы | |
| 11 | ВинтВ2.М4-6gx35.58.019 | Винт В2.М4-6gx35.58.019 | |
| 12 | С314 | Сигнал звуковой | |
| 13 | БолтМ6-6gх16.58.019 | Болт М6-6gх16.58.019 | |
| 14 | Шайба6.65Г.019 | Шайба 6.65Г.019 | |
| 15 | ШайбаC6.02.019 | Шайба C6.02.019 | |
| 16 | TL150.41.30.010-01 | Жгут задней рамы | |
| 17 | 11.3829.010 | Датчик указателя давления | |
| 18 | TL150ZF.41.30.420-03 | Провод | |
| 19 | КСУ9х350 | Кабельный хомут усиленный | |
| 20 | ТМ-100В | Датчик температуры | |
| 21 | КСУ9х180 | Кабельный хомут усиленный |