TL-150. Установка климатической системы (TL150.13.08.000)
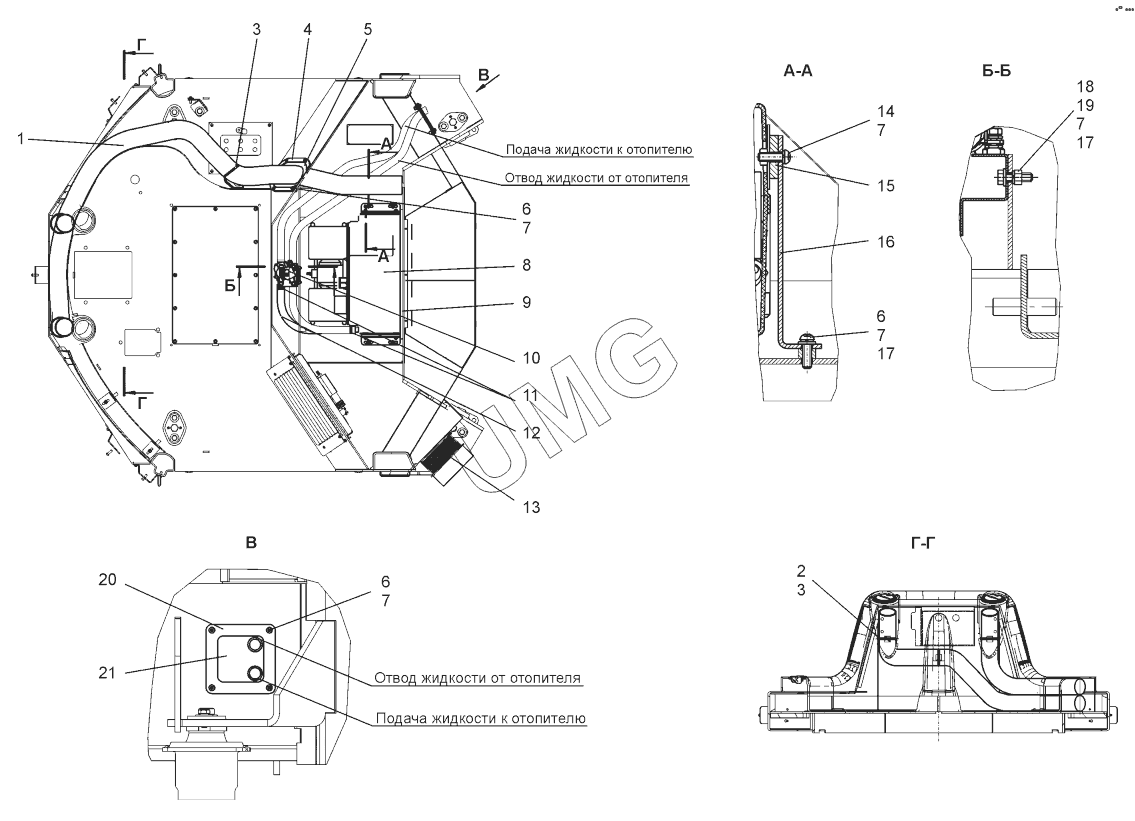
1
2
3
3
4
5
6
6
6
7
7
7
7
7
8
9
10
11
12
13
14
15
16
17
17
18
19
20
21
| Позиция на иллюстрации | Заводской номер детали | Название детали | |
|---|---|---|---|
| 1 | VINIL40 | Воздуховод | |
| 2 | 2-100732-2 | Монтажные опоры | |
| 3 | КСС5/350 | Кабельная стяжка стандартная | |
| 4 | TL150.13.08.004 | Прокладка | |
| 5 | TL150.13.08.003 | Пластина | |
| 6 | ВинтВ2.М6-6gx20.58.019 | ВинтВ2.М6-6gx20.58.019 | |
| 7 | Шайба6.65Г.019 | Шайба 6.65Г.019 | |
| 8 | 25-322610-00 | Отопитель в сборе | |
| 9 | TL150.13.08.007 | Уплотнение | |
| 10 | 10-150671-00 | Кран отопителя с мотор-редуктором | |
| 11 | 1Л20-32-6 | Хомут 1Л 20-32-6 | |
| 12 | TL150.13.08.008 | Рукав | |
| 13 | 08619 | Фильтр воздушный климат контроля | |
| 14 | ВинтВ2.М6-6gx25.58.019 | ВинтВ2.М6-6gx25.58.019 | |
| 15 | TL150.13.08.002 | Кронштейн | |
| 16 | TL150.13.08.001 | Кронштейн | |
| 17 | ШайбаС6.02.019 | Шайба С6.02.019 | |
| 18 | БолтМ6-6gх20.58.019(S13) | Болт М6-6gх20.58.019 (S13) | |
| 19 | ГайкаМ6-6Н.5.019(S10) | Гайка | |
| 20 | TL150.51.00.014 | Планка | |
| 21 | TL150.51.00.015-01 | Прокладка |