ДЗ-98В. Установка силовая (ДЗ-98В9.11.00.000-02), (ДЗ-98В9.11.00.000-03)
1
2
3
4
4
5
6
6
7
7
7
8
9
10
11
12
13
14
15
16
17
18
19
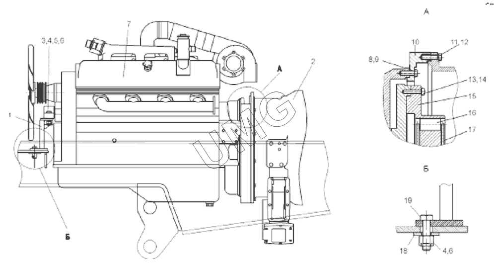
| Позиция на иллюстрации | Заводской номер детали | Название детали | |
|---|---|---|---|
| 1 | ДЗ-98М2.11.00.010 | Опора | |
| 2 | ДЗ-98В.10.00.000 | Блок трансмиссии | |
| 3 | ДЗ-98В9.11.00.003 | Болт | |
| 4 | ГайкаМ16-6Н.5.019 | Гайка | |
| 5 | ШайбаС16.02.019 | Шайба | |
| 6 | Шплинт4х36.019 | Шплинт | |
| 7 | ДЗ-98В9.11.00.000-02 | Двигатель | |
| 7 | ДЗ-98В9.11.00.000-03 | Двигатель | |
| 8 | А121.11.00.011 | Шайба | |
| 9 | 067.11.11.055 | Болт | |
| 10 | ДЗ-98В9.11.00.013-01 | Кольцо переходное | |
| 11 | Д395Б-01-053 | Болт | |
| 12 | Шайба12.65Г.019 | Шайба 12.65Г.019 | |
| 13 | А121.11.00.013 | Шайба | |
| 14 | БолтМ10-6gх50.58.019(S16) | Болт | |
| 15 | ДЗ-98М2.11.00.001 | Полумуфта наружная | |
| 16 | Д395Б-01-121 | Палец резиновый | |
| 17 | ДЗ-98В.11.00.002 | Кольцо пружинное | |
| 18 | Д395-0101002 | Подкладка | |
| 19 | 067.11.17.035 | Болт |