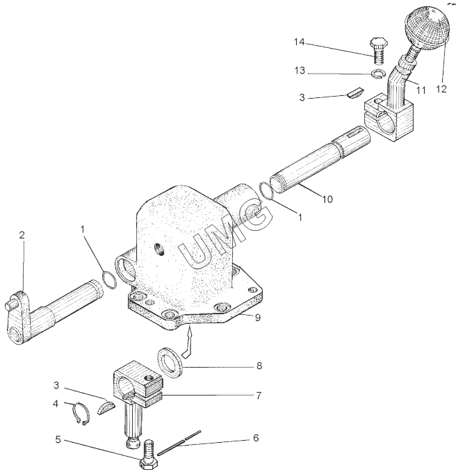
ДЗ-98В. Механизм переключения реверса (Д395В.10.04.050)
1
1
2
3
3
3
3
4
5
6
7
8
9
10
11
12
13
14
| Позиция на иллюстрации | Заводской номер детали | Название детали | |
|---|---|---|---|
| 1 | Кольцо020-025-30-2-2 | Кольцо 020-025-30-2-2 | |
| 2 | ДЗ-98.10.04.350 | Валик | |
| 3 | Д395Б.03.028 | Шпонка сегментная | |
| 3 | Д395Б.03.028-01 | Шпонка сегментная | |
| 4 | Кольцо1Б25 | Кольцо 1Б25 | |
| 5 | Д395Б.02.072 | Болт специальный | |
| 6 | Проволока1,6-С | Проволока 1,6-С | |
| 7 | ДЗ-98.10.04.430 | Рычаг в сборе | |
| 8 | Д395В.10.04.011 | Шайба | |
| 9 | Д395В.10.04.007-1 | Крышка | |
| 10 | Д395В.10.04.009 | Валик | |
| 11 | ДЗ-98.10.04.480 | Рычаг | |
| 12 | Д148-Л2-77 | Ручка шаровая | |
| 13 | Шайба12.65Г.069 | Шайба 12.65Г.069 | |
| 14 | БолтМ12-6gх30.58.019 | Болт |