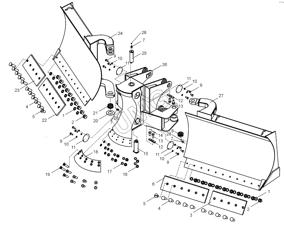
ДЗ-98В. Отвал (ДЗ-98В1.5.28.01.000)
1
1
2
2
3
4
4
5
5
6
7
7
7
8
9
9
9
9
10
10
10
10
11
11
11
11
12
12
13
13
14
15
16
17
18
19
20
21
22
23
24
25
26
27
28
28
28
| Позиция на иллюстрации | Заводской номер детали | Название детали | |
|---|---|---|---|
| 1 | Шайба20.65Г.069 | Шайба 20.65Г.069 | |
| 2 | ГайкаМ20-6Н.019(S30) | Гайка М20-6Н.019(S30) | |
| 3 | ДЗ-98В1.5.28.01.008-01 | Нож | |
| 4 | ПКТ-2.01.00.005 | Болт | |
| 5 | ПКТ-2.01.00.006 | Винт | |
| 6 | ПКТ-2.01.00.017 | Нож | |
| 7 | Маслёнка1.2.Ц6 | Маслёнка 1.2.Ц6 | |
| 8 | ДЗ-98В1.5.28.01.318 | Втулка | |
| 9 | БолтМ8-6gx20.58.019(S13) | Болт | |
| 10 | Шайба8.65Г.069 | Шайба 8.65Г.069 | |
| 11 | ПКТ-0100-007 | Крышка | |
| 12 | ДЗ-98В1.5.28.01.014 | Планка | |
| 13 | Болт3М12х1,25-6gx40.88.35Х.019 | Болт | |
| 14 | Проволока2-I | Проволока 2-I | |
| 15 | ДЗ-98В1.5.28.01.012 | Палец | |
| 16 | ГайкаМ16-6Н.5.019(S24) | Гайка М16-6Н.5.019(S24) | |
| 17 | Шайба16.65Г.069 | Шайба 16.65Г.069 | |
| 18 | ПКТ-2.01.00.010 | Нож центральный | |
| 19 | 067.11.12.009-01 | Болт | |
| 20 | ДЗ-98В1.5.28.01.007 | Прокладка | |
| 21 | ДЗ-98В1.5.28.01.318 | Втулка | |
| 22 | ПКТ-2.01.00.018 | Нож | |
| 23 | ДЗ-98В1.5.28.01.008 | Нож | |
| 24 | ДЗ-98В1.5.28.01.500 | Крыло отвала правое | |
| 25 | ДЗ-98В1.5.28.01.013 | Палец | |
| 26 | ДЗ-98В1.5.28.01.100 | Отвал центральный | |
| 27 | ДЗ-98В1.5.28.01.300 | Крыло отвала левое | |
| 28 | 24-2904142 | Колпачок пресс-масленки |