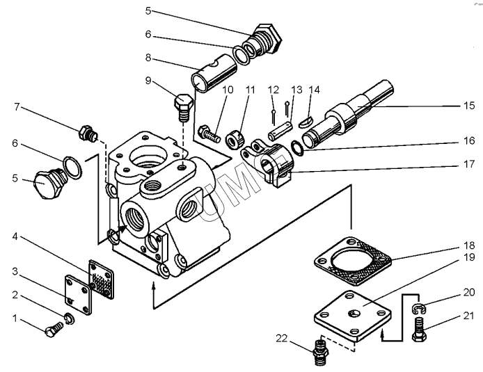
ДЗ-98В.1. Сервомеханизм (ДЗ-98.10.03.120)
1
2
3
4
5
5
6
6
7
8
9
10
11
12
13
14
15
16
17
18
19
20
21
22
| Позиция на иллюстрации | Заводской номер детали | Название детали | |
|---|---|---|---|
| 1 | М8-6gх20.58.0197796 | Болт | |
| 2 | 8.65Г.0696402 | Шайба | |
| 3 | Д395Б-03-118 | Крышка | |
| 4 | Д395Б.03-119 | Прокладка | |
| 5 | Д395Б-03-071 | Пробка | |
| 6 | 46764 | Кольцо уплотнительное | |
| 7 | 067.44.12.021 | Пробка | |
| 8 | Д395Б-03-072 | Золотник | |
| 9 | ДЗ-98.43.00.034 | Пробка коническая | |
| 10 | М10-6gх30.58.0197796 | Болт | |
| 11 | Д395Б-03-023 | Ролик | |
| 12 | 3,2х20.019397 | Шплинт | |
| 13 | Д395А-0117008 | Палец | |
| 14 | Д395Б-03-028 | Шпонка сегментная | |
| 15 | ДЗ-98В1.10.03.071 | Валик | |
| 16 | 020-025-30-2-218829/9833 | Кольцо | |
| 17 | ДЗ-98.10.03.039 | Рычаг | |
| 18 | Д395Б-03-079 | Прокладка | |
| 19 | ДЗ-98.10.03.041 | Крышка | |
| 20 | 10.65Г.0696402 | Шайба | |
| 21 | М10-6gх25.58.0197796 | Болт | |
| 22 | БКТ-РК2.05.01.001 | Переходник |