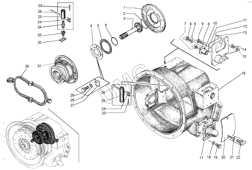
ДЗ-98В.1. Муфта сцепления (ДЗ-98.10.02.000-1)
1
2
3
4
5
6
7
8
8
9
9
10
11
12
13
14
15
16
17
18
19
20
21
22
23
23
24
24
25
25
26
26
27
28
29
30
31
32
33
34
| Позиция на иллюстрации | Заводской номер детали | Название детали | |
|---|---|---|---|
| 1 | 18-14-140 | Тормозок | |
| 2 | 1Б10013941 | Кольцо | |
| 3 | 18-14-77 | Вал карданный | |
| 4 | 18-14-125 | Крышка | |
| 5 | 700-40-5259 | Прокладка | |
| 6 | 46812 | Кольцо уплотнительное | |
| 7 | 1.319853 | Масленка | |
| 8 | 8.65Г.0696402 | Шайба | |
| 9 | М8-6gх20.58.0197796 | Болт | |
| 10 | ДЗ-98.10.02.004-1 | Втулка | |
| 11 | ДЗ-98.10.02.015 | Крышка | |
| 12 | Д395В.10.02.010 | Крышка | |
| 13 | Д395Б.03.029 | Штифт цилиндрический | |
| 14 | М10-6gх35.58.0197796 | Болт | |
| 15 | М10-6Н.5.0195915 | Гайка | |
| 16 | Д395В.10.02.001 | Картер муфты сцепления | |
| 17 | Д395Б.02.047 | Опора шаровая | |
| 18 | 20.65Г.0696402 | Шайба | |
| 19 | М20-6gх45.58.0197796 | Болт | |
| 20 | Д395Б.02.107 | Крышка | |
| 21 | 10.65Г.0696402 | Шайба | |
| 22 | М10-6gх25.58.0197796 | Болт | |
| 23 | 6,3х36397 | Шплинт | |
| 24 | 700-41-3442 | Рамка | |
| 25 | Д395.0402.242 | Шланг | |
| 26 | Д395.03.02.059 | Лента | |
| 27 | 18-14-122 | Пластина | |
| 28 | 12.65Г.0696402 | Шайба | |
| 29 | М12х302816 | Болт | |
| 30 | ДЗ-98.10.02.026 | Рычаг | |
| 31 | 18-14-133 | Муфта включения | |
| 32 | 31364 | Пластина стопорная | |
| 33 | 18-14-128 | Палец | |
| 34 | Д395Б.02.190 | Штуцер |