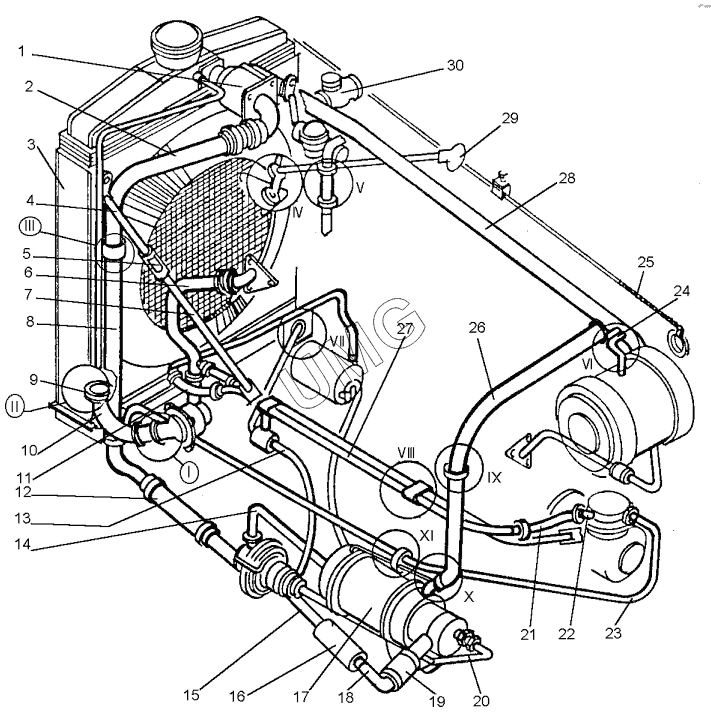
ДЗ-98В.1. Система охлаждения и разогрева двигателя (ДЗ-98В3.33.00.000)
1
2
3
4
5
6
7
8
9
10
11
12
13
14
15
16
17
18
19
20
21
22
23
24
25
26
27
28
29
30
| Позиция на иллюстрации | Заводской номер детали | Название детали | |
|---|---|---|---|
| 1 | ДЗ-140.33.00.090 | Термостат | |
| 2 | ДЗ-98.33.00.048 | Труба сливная | |
| 3 | ДЗ-98Б.33.00.500 | Радиатор со шторкой | |
| 4 | Д395-0303.912 | Тяга в сборе | |
| 5 | Д395-0303.026 | Шланг | |
| 6 | Д395А-0303.958 | Труба в сборе | |
| 7 | ДЗ-98.33.00.054 | Шланг | |
| 8 | Д395-0303.913 | Тяга в сборе | |
| 9 | Д395-0303.033 | Прокладка | |
| 10 | ДЗ-98.33.00.140 | Труба от радиатора к насосу | |
| 11 | Д395-0302.022 | Шланг | |
| 12 | Д395-0303.085 | Шланг | |
| 13 | ДЗ-98Б.33.00.770 | Трубопровод | |
| 14 | ДЗ-98.33.00.053 | Шланг | |
| 15 | Д395А-0303.945 | Патрубок | |
| 16 | ДЗ-98.33.00.049 | Шланг воздушный | |
| 17 | ДЗ-98.33.00.120 | Котел | |
| 18 | ДЗ-98.33.00.147 | Колено | |
| 19 | Д395А-0303.147 | Шланг | |
| 20 | ДЗ-98.33.00.160 | Трубка подачи топлива | |
| 21 | Д395А-0303.165 | Шланг | |
| 22 | Д395-0303.909 | Трубка в сборе | |
| 23 | ДЗ-98.33.00.390 | Трубка в сборе | |
| 24 | ДЗ-98.33.00.029 | Шланг | |
| 25 | ДЗ-98.33.00.260 | Цепочка | |
| 26 | ДЗ-98.33.00.052 | Шланг | |
| 27 | ДЗ-98.33.00.360 | Трубопровод | |
| 28 | ДЗ-98.33.00.370 | Трубопровод | |
| 29 | Д148В-Л2-77 | Рукоятка | |
| 30 | 20-102704 | Кран муфтовый |