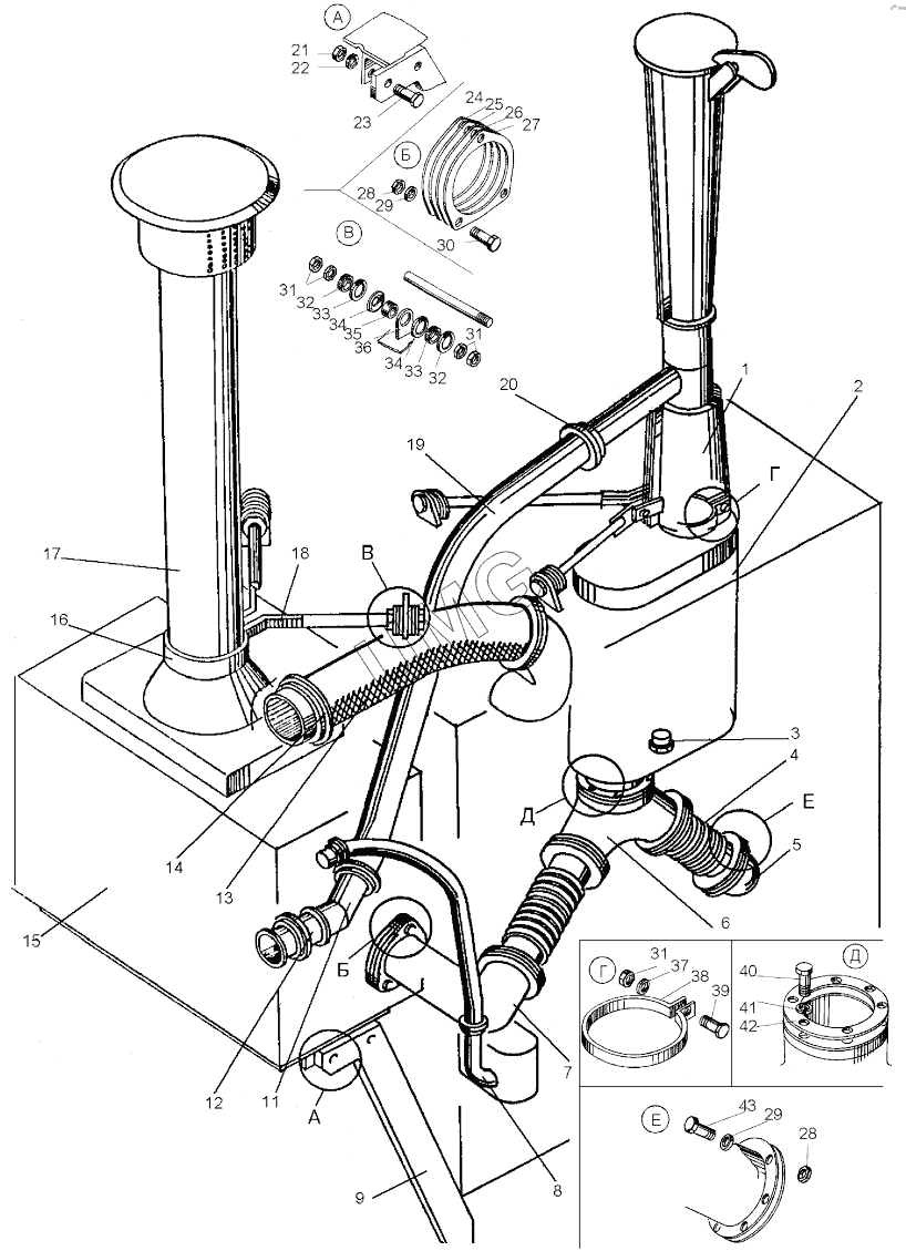
ДЗ-98В.1. Система всасывания и выхлопа (ДЗ-98В5.32.00.000)
1
2
3
4
5
6
7
8
9
9
11
12
13
14
15
16
17
18
19
20
21
22
23
24
25
26
27
28
28
29
29
30
31
31
31
32
32
33
33
34
34
35
36
37
38
39
40
41
42
43
| Позиция на иллюстрации | Заводской номер детали | Название детали | |
|---|---|---|---|
| 1 | ДЗ-98В.32.10.200 | Эжектор | |
| 2 | ДЗ-140А.32.00.510-01 | Глушитель | |
| 3 | 067.44.12.007 | Пробка | |
| 4 | ДЗ-98В5.32.00.430 | Сильфон | |
| 5 | 701.10.00.111-1 | Труба левая | |
| 6 | 701.10.00.109-1 | Тройник | |
| 7 | 701.10.00.112-1 | Труба правая | |
| 8 | ДЗ-98В5.32.00.450 | Патрубок | |
| 9 | ДЗ-98В.32.11.014-01 | Стойка | |
| 9 | ДЗ-98В.32.11.014 | Стойка | |
| 10 | ДЗ-98В5.32.00.417 | Рукав 25х35 | |
| 11 | ДЗ-98В5.32.00.420 | Патрубок | |
| 12 | ДЗ-98В5.32.00.416 | Рукав 50х61,5-16 | |
| 13 | 125х70010362 | Рукав | |
| 14 | ДЗ-98В.32.00.130 | Хомут | |
| 15 | ДЗ-98В.32.10.010-02 | Воздухоочиститель | |
| 16 | 067.36.11.142 | Хомут | |
| 17 | ДЗ-98В.32.00.200 | Воздухозаборная труба | |
| 18 | ДЗ-98В.32.00.120-01 | Стяжка | |
| 19 | ДЗ-98В.32.00.001 | Рукав 50х61,5-16 | |
| 20 | ДЗ-98.43.00.480-02 | Хомут | |
| 21 | М16-6Н.0195915 | Гайка | |
| 22 | 16.65Г.0196402 | Шайба | |
| 23 | М16-6gх40.58.0197798 | Болт | |
| 24 | ДЗ-98В5.32.00.415-01 | Проставка регулировочная | |
| 25 | ДЗ-98В5.32.00.415 | Проставка регулировочная | |
| 26 | ДЗ-98В5.32.00.414 | Прокладка | |
| 27 | ДЗ-98В5.32.00.411 | Фланец | |
| 28 | М10-6Н.0195915 | Гайка | |
| 29 | 10.65Г.0196402 | Шайба | |
| 30 | М10-6gх55.58.0197798 | Болт | |
| 31 | М12-6Н.0195915 | Гайка | |
| 32 | ДЗ-98В1.33.00.003 | Шайба | |
| 33 | ДЗ-98В1.33.00.006 | Кольцо | |
| 34 | ДЗ-98В1.33.00.003-01 | Шайба | |
| 35 | ДЗ-98В1.33.00.007 | Втулка | |
| 36 | ДЗ-98.32.00.153 | Стойка | |
| 37 | 12.65Г.0196402 | Шайба | |
| 38 | 067.36.11.117 | Хомут | |
| 39 | М12-6gх55.58.0197798 | Болт | |
| 40 | М8-6gх25.58.0197798 | Болт | |
| 41 | 8.65Г.0196402 | Шайба | |
| 42 | ДЗ-98В.32.00.157 | Прокладка | |
| 43 | М10-6gх35.58.0197798 | Болт |