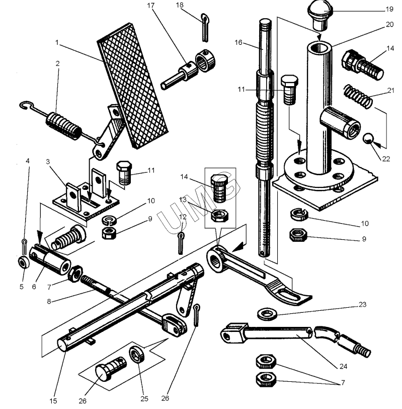
ДЗ-98В.1. Управление регулятором (ДЗ-98В.39.02.000)
1
2
3
4
5
6
7
7
8
9
9
10
10
11
11
12
13
14
14
15
16
17
18
19
20
21
22
23
24
25
26
26
| Позиция на иллюстрации | Заводской номер детали | Название детали | |
|---|---|---|---|
| 1 | ДЗ-98В1.39.02.060 | Педаль | |
| 2 | Д394.0306.013-1 | Пружина | |
| 3 | ДЗ-140А.39.00.020 | Кронштейн | |
| 4 | 2х20397 | Шплинт | |
| 5 | С8.02.01911371 | Шайба | |
| 6 | ДЗ-98В.39.01.007 | Вилка | |
| 7 | М10-6Н.5.0195915 | Гайка | |
| 8 | ДЗ-98В1.39.02.050 | Тяга | |
| 9 | 6.65Г.0696402 | Шайба | |
| 10 | М6-6Н.5.0195915 | Гайка | |
| 11 | М6-6gх20.58.0197798 | Болт | |
| 12 | 5х40.019397 | Шплинт | |
| 13 | М8-6Н.5.0195915 | Гайка | |
| 14 | М8-6gх30.58.0197798 | Болт | |
| 15 | ДЗ-98В1.39.02.080 | Валик в сборе | |
| 16 | ДЗ-98В1.39.02.020 | Тяга | |
| 17 | ДЗ-98В1.39.02.008 | Ось | |
| 18 | 3,2х32397 | Шплинт | |
| 19 | Д148-Л2-77 | Ручка шаровая | |
| 20 | ДЗ-98.13.05.100 | Колонка в сборе | |
| 21 | ДЗ-98.13.05.006 | Пружина | |
| 22 | 6-60±253722 | Шарик | |
| 23 | 10.01.01911371 | Шайба | |
| 24 | ДЗ-98В1.39.02.040 | Тяга | |
| 25 | С12.02.01911371 | Шайба | |
| 26 | Д395А.0117.008 | Палец |