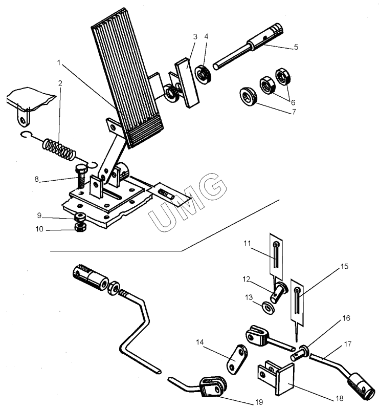
ДЗ-98В.1. Управление регулятором (ДЗ-98В.39.00.000)
1
2
3
4
5
6
7
8
9
10
11
12
13
14
15
16
17
18
19
| Позиция на иллюстрации | Заводской номер детали | Название детали | |
|---|---|---|---|
| 1 | ДЗ-140А.39.00.060 | Педаль | |
| 2 | Д394.0306.013-1 | Пружина | |
| 3 | ДЗ-140А.39.00.040 | Ограничитель | |
| 4 | ДЗ-140А.39.00.014 | Шайба фрикционная | |
| 5 | ДЗ-140А.39.00.013 | Ось | |
| 6 | М12-6Н.5.0195915 | Гайка | |
| 7 | ДЗ-98В.39.01.011 | Пружина тарельчатая | |
| 8 | М6-6gх20.58.0197798 | Болт | |
| 9 | 6.65Г.0196402 | Шайба | |
| 10 | М6-6Н.5.0195915 | Гайка | |
| 11 | 3,2х32397 | Шплинт | |
| 12 | Д395А.0117.008 | Палец | |
| 13 | С12.02.01911371 | Шайба | |
| 14 | ДЗ-98В.39.00.003 | Рычаг | |
| 15 | 2х20397 | Шплинт | |
| 16 | 067.43.11.034 | Палец | |
| 17 | ДЗ-98В.39.00.010 | Тяга | |
| 18 | ДЗ-98В.39.00.030 | Кронштейн | |
| 19 | ДЗ-98В5.39.00.010 | Тяга верхняя |