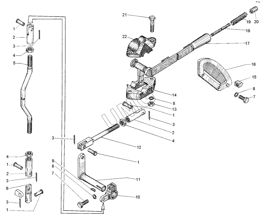
ДЗ-98В.1. Управление стояночным тормозом (ДЗ-98В.13.04.000)
1
1
1
1
1
2
2
2
3
3
3
3
3
4
4
4
5
5
6
7
7
8
8
8
9
10
11
12
13
14
15
16
17
18
19
20
21
22
| Позиция на иллюстрации | Заводской номер детали | Название детали | |
|---|---|---|---|
| 1 | Д395А.0117.008 | Палец | |
| 2 | ДЗ-98.43.01.019 | Головка тяги | |
| 3 | 3,2х20.019397 | Шплинт | |
| 4 | М16-6Н.5.0195915 | Гайка | |
| 5 | ДЗ-98.13.04.150 | Тяга | |
| 5 | ДЗ-98.13.04.160 | Тяга | |
| 6 | ДЗ-98В.13.04.024-1 | Вилка | |
| 7 | М12-6gх30.58.0197796 | Болт | |
| 8 | 12.65Г.0696402 | Шайба | |
| 9 | Д395Б.03.028 | Шпонка сегментная | |
| 10 | Д395В.13.04.110 | Рычаг | |
| 11 | ДЗ-98.13.04.180 | Рычаг | |
| 12 | ДЗ-98В.13.04.010 | Тяга | |
| 13 | М12-6Н.5.0195915 | Гайка | |
| 14 | ДЗ-98.13.04.044 | Коробка нижняя | |
| 15 | Д395А.0109.042 | Фиксатор | |
| 16 | Д395В.13.04.040 | Гребенка | |
| 17 | ДЗ-98В.13.04.020 | Рычаг | |
| 18 | ДЗ-98В.13.04.001 | Тяга | |
| 19 | Д144-39-020 | Пружина | |
| 20 | Д144-39-021 | Кнопка защелки | |
| 21 | М12-6gх70.58.0197796 | Болт | |
| 22 | ДЗ-98.13.04.043 | Коробка верхняя |