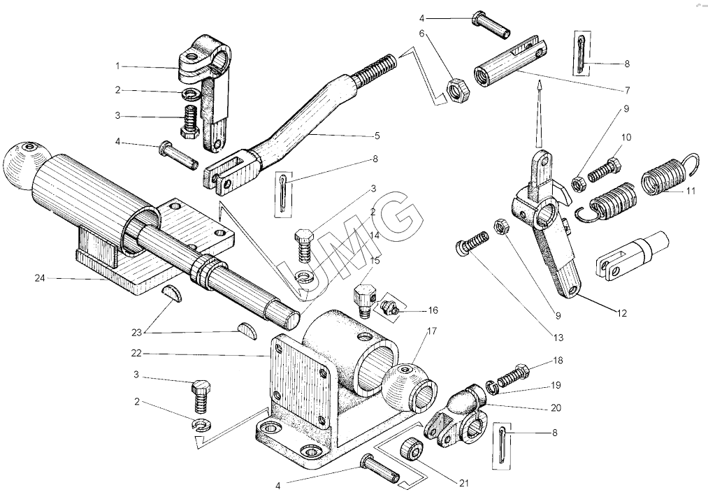
ДЗ-98В.1. Механизм управления муфтой сцепления (ДЗ-98В.13.01.000)
1
2
2
2
3
3
3
4
4
4
5
5
6
7
8
8
8
9
9
10
11
12
13
14
15
16
17
18
19
20
21
22
23
24
| Позиция на иллюстрации | Заводской номер детали | Название детали | |
|---|---|---|---|
| 1 | Д395В.13.01.110 | Рычаг | |
| 2 | 12.65Г.0696402 | Шайба | |
| 3 | М12-6gх30.58.0197796 | Болт | |
| 4 | Д395А.0117.008 | Палец | |
| 5 | Д395В.13.01.030 | Тяга | |
| 5 | Д395В.13.01.070 | Тяга | |
| 6 | М16-6Н.5.0195915 | Гайка | |
| 7 | ДЗ-98.43.01.019 | Головка тяги | |
| 8 | 3,2х20-019397 | Шплинт | |
| 9 | М10-6Н.5.0195915 | Гайка | |
| 10 | М10-6gх35.58.0197796 | Болт | |
| 11 | Д395В.13.01.002 | Пружина | |
| 12 | Д395В.13.01.090 | Рычаг | |
| 13 | В.М10х201476 | Винт | |
| 14 | Д395В.13.01.024 | Вал | |
| 15 | Д395Б.03.107 | Штуцер | |
| 16 | 1.3.Ц619853 | Масленка | |
| 17 | Д394.01.00.011 | Подшипник | |
| 18 | М10-6gх30.58.0197796 | Болт | |
| 19 | 10.65Г.0696402 | Шайба | |
| 20 | Д395Б.03.022 | Рычаг | |
| 21 | Д395Б.08.029 | Ролик | |
| 22 | ДЗ-98.13.01.103 | Кронштейн в сборе | |
| 23 | Д395Б.03.028 | Шпонка сегментная | |
| 24 | Д395В.13.01.102 | Кронштейн |