В товарах В каталоге запчастей

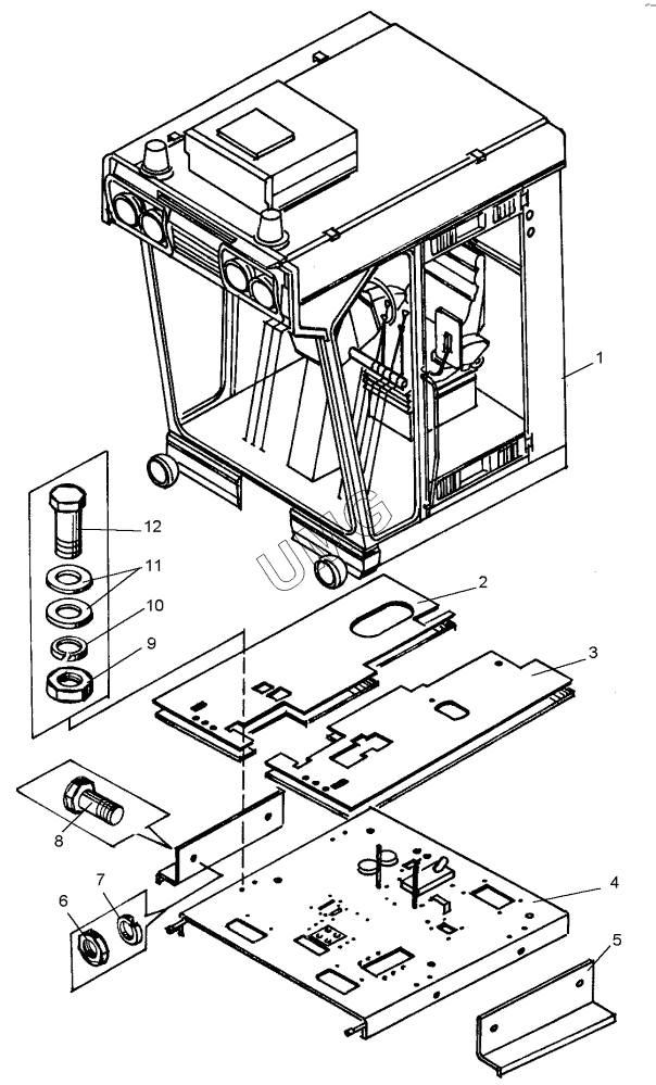
ДЗ-98В.1. Кабина (ДЗ-140А.51.00.000-40)

zoom-in zoom-out enlarge shrink circle-right circle-left file-text2 info cart
1
2
3
4
5
6
7
8
9
10
11
12
Позиция на иллюстрации Заводской номер детали Название детали
1 ДЗ-140А.51.01.000-10 Будочка
2 ДЗ-140А.51.02.180-10 Коврик правый
3 ДЗ-140А.51.02.170-10 Коврик левый
4 ДЗ-140А.51.03.000 Площадка оператора
5 ДЗ-140А.51.01.241 Ступенька
6 М20-6Н.5.0195915 Гайка
7 20.65Г.0696402 Шайба
8 М20-6gх457798 Болт
9 М10-6Н.5.0195915 Гайка
10 10.65Г.0696402 Шайба
11 С10.02.01911371 Шайба
12 М10-6gх35.58.0197798 Болт
АвтоКаталог-онлайн предоставлен Компанией АвтоСофт