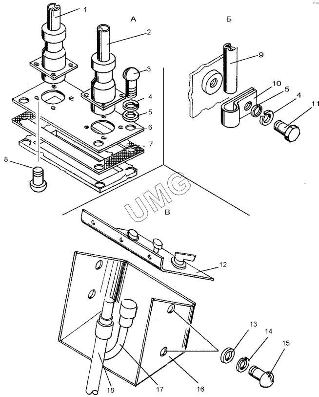
ДЗ-98В.1. Электрооборудование кабины (ДЗ-98В.41.01.000-01)
1
2
3
4
4
5
5
6
7
8
9
10
11
12
13
14
15
16
17
18
| Позиция на иллюстрации | Заводской номер детали | Название детали | |
|---|---|---|---|
| 1 | ДЗ-98В.41.30.250 | Жгут | |
| 2 | ДЗ-98В.41.30.180 | Жгут | |
| 3 | В.М6-6gх10.58.01917473 | Винт | |
| 4 | 6.65Г.0696402 | Шайба | |
| 5 | С6.02.01911371 | Шайба | |
| 6 | ДЗ-98В.41.01.006 | Пластина | |
| 7 | ДЗ-140А.01.097 | Прокладка | |
| 8 | В.М4-6gх16.58.01917473 | Винт | |
| 9 | ПВХ-15х0,216214 | Лента | |
| 10 | 067.36.11.571 | Хомут | |
| 11 | М6-6gх10.58.0197798 | Болт | |
| 12 | ДЗ-98В.41.01.030 | Панель замка зажигания | |
| 13 | С4.02.01911371 | Шайба | |
| 14 | 4.65Г.0696402 | Шайба | |
| 15 | В.М4-6gх10.58.01917473 | Винт | |
| 16 | ДЗ-98В.41.01.009 | Кожух | |
| 17 | ДЗ-98В.41.30.180 | Жгут | |
| 18 | ДЗ-98В.41.30.300 | Провод |